Mô tả
Giới thiệu
Van cổng ARV RSG là dòng van cổng ty nổi (OS&Y Gate Valve) chuyên dụng cho các hệ thống phòng cháy chữa cháy (PCCC) và cấp thoát nước. Sản phẩm được thiết kế để không làm gián đoạn dòng chảy khi ở vị trí mở hoàn toàn, giúp tối ưu hóa hiệu suất truyền dẫn lưu chất. Với mã hiệu RSG, dòng van này cho phép theo dõi trạng thái đóng/mở trực quan thông qua chuyển động lên xuống của trục van.
Van cổng RSG được tin dùng nhờ khả năng tích hợp linh hoạt với các công tắc giám sát (Supervisory Switch) để quản lý điện tử. Thiết kế ty nổi giúp nhân viên vận hành nhận biết tình trạng van nhanh chóng từ xa, đảm bảo an toàn tối đa cho công trình. Sản phẩm đạt các tiêu chuẩn kỹ thuật quốc tế, phù hợp cho những dự án yêu cầu khắt khe về tính sẵn sàng của hệ thống cứu hỏa.
Với dải kích thước từ DN50 (2″) đến DN200 (8″), ARV RSG đáp ứng hầu hết các nhu cầu về đường ống nhánh và trục chính. Sản phẩm có khả năng chịu áp lực làm việc lên đến 300 psi (tương đương 21 bar), vượt trội hơn các dòng van thông dụng. Lớp sơn tĩnh điện Epoxy màu đỏ đặc trưng giúp van bền bỉ hơn trong môi trường nóng ẩm và dễ dàng nhận diện trong cụm thiết bị PCCC.
Cấu tạo và vật liệu
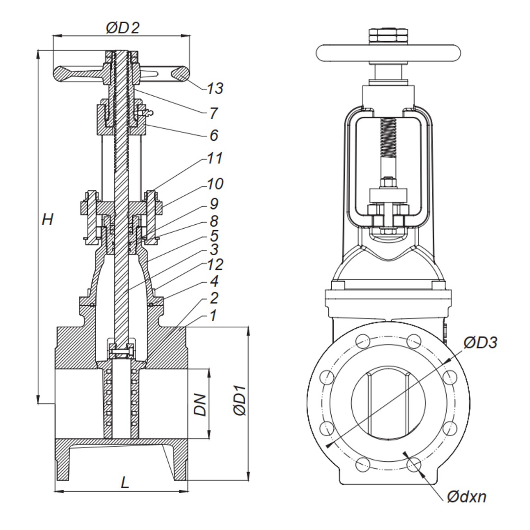
Van cổng ARV RSG được chế tạo từ gang cầu cao cấp, mang lại độ bền cơ học vượt trội và khả năng chịu áp suất cao. Thân van, nắp van và gông đỡ trục (Yoke) đều được làm từ gang cầu GGG40, giúp giảm trọng lượng nhưng vẫn đảm bảo sự chắc chắn. Bề mặt thiết bị được xử lý kỹ lưỡng và phủ sơn Epoxy chống ăn mòn hiệu quả cho cả mặt trong và mặt ngoài.
Đĩa van (Wedge) có lõi gang cầu và được bọc hoàn toàn bằng cao su EPDM (Natural Rubber), tạo độ đàn hồi và kín khít tuyệt đối. Trục van (Stem) sử dụng thép không gỉ 2Cr13 bền bỉ, chịu được lực xoắn lớn và không bị gỉ sét khi tiếp xúc với lưu chất. Hệ thống bạc lót trục và đai ốc bằng đồng (Brass) giúp giảm ma sát, đảm bảo tay quay vận hành êm ái qua thời gian dài.
| Bộ phận | Vật liệu chế tạo | Tiêu chuẩn vật liệu |
|---|---|---|
| Thân / Nắp / Gông đỡ | Gang cầu (Ductile Iron) | GGG40 |
| Đĩa van (Wedge) | Gang cầu + Cao su EPDM | Bọc cao su hoàn toàn |
| Trục van (Stem) | Thép không gỉ | 2Cr13 |
| Tay quay (Handwheel) | Gang cầu | GGG40 |
| Bạc lót / Đai ốc | Đồng (Brass) | Chống mài mòn |
Nguyên lý hoạt động
Van cổng ARV RSG hoạt động theo cơ chế trục vít truyền động để nâng hoặc hạ đĩa van theo phương thẳng đứng. Khi quay tay quay ngược chiều kim đồng hồ, trục van có ren sẽ xoay và nâng đĩa van lên trên, tạo khoảng trống cho dòng chảy. Do thiết kế ty nổi (OS&Y), phần trục van sẽ nhô cao lên khỏi tay quay khi mở, giúp quan sát trạng thái van dễ dàng.
Để đóng van, người vận hành quay tay quay theo chiều kim đồng hồ, đĩa van sẽ được đẩy xuống vị trí thấp nhất. Đĩa van bọc cao su sẽ ép chặt vào lòng thân van, tạo ra sự bịt kín hoàn hảo nhờ tính đàn hồi của vật liệu EPDM. Cơ chế đóng kín bằng đệm cao su giúp van ngăn chặn hoàn toàn hiện tượng rò rỉ, ngay cả khi áp suất hệ thống đạt mức tối đa.
Ưu-nhược điểm
Ưu điểm lớn nhất của RSG là khả năng theo dõi trạng thái van trực quan và qua tín hiệu điện, cực kỳ quan trọng trong PCCC. Vật liệu gang cầu GGG40 giúp van có độ bền cao, không bị nứt vỡ dưới tác động của áp lực lớn hoặc va đập cơ học. Lớp sơn Epoxy tĩnh điện giúp van duy trì độ bền và thẩm mỹ, chống lại các tác nhân gây oxy hóa từ môi trường bên ngoài.
- Theo dõi trạng thái đóng/mở dễ dàng nhờ phần ty van lộ ra bên ngoài.
- Có thể lắp thêm công tắc giám sát để truyền tín hiệu về trung tâm điều khiển PCCC.
- Đóng mở nhẹ nhàng, độ kín khít cao nhờ lá van bọc cao su đàn hồi.
- Hạn chế: Cần không gian phía trên đủ rộng để trục van nhô lên khi mở hết hành trình.
Ứng dụng
Van cổng ARV RSG là thiết bị chủ đạo trong hệ thống đường ống phòng cháy chữa cháy của các tòa nhà và nhà máy. Van thường được lắp đặt tại các cụm bơm, các vị trí tách nhánh hoặc trước các van báo động (Alarm Valve). Tính năng giám sát trạng thái giúp đảm bảo nguồn nước chữa cháy luôn được thông suốt, tránh lỗi quên mở van.
Ngoài ra, sản phẩm còn ứng dụng hiệu quả trong các hệ thống cấp nước sạch yêu cầu sự kiểm soát nghiêm ngặt. Vật liệu bọc đĩa van đạt tiêu chuẩn an toàn, không gây ô nhiễm cho nguồn nước sinh hoạt trong quá trình sử dụng. ARV RSG là giải pháp đáng tin cậy cho các công trình hạ tầng, giúp nâng cao tính an toàn và tự động hóa cho hệ thống.
Hướng dẫn lắp đặt và bảo trì
Khi lắp đặt, cần làm sạch lòng ống và mặt bích để loại bỏ tạp chất có thể làm trầy xước lớp cao su trên đĩa van. Căn chỉnh van đồng tâm với đường ống và siết bu lông mặt bích đối xứng để đảm bảo lực ép đồng đều lên gioăng đệm. Cần chừa khoảng trống phía trên tay quay ít nhất bằng chiều dài hành trình mở của trục van để không bị vướng.
Bảo trì định kỳ bao gồm việc kiểm tra tình trạng rò rỉ tại cổ van và vệ sinh bụi bẩn bám trên phần ren của trục. Nên vận hành đóng mở van 1-2 lần mỗi quý để đảm bảo phần trục ren và bạc lót luôn hoạt động trơn tru. Kiểm tra và thay thế gioăng đệm nếu phát hiện rò rỉ, giúp kéo dài tuổi thọ thiết bị và đảm bảo an toàn cho hệ thống.


