Mô tả
Tổng quan
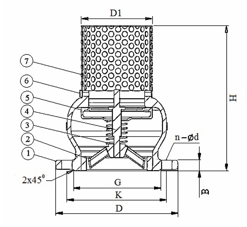
Rọ bơm (hay còn gọi là rọ hút, van chân) Model 5100H được thiết kế để bảo vệ máy bơm khỏi các tạp chất có kích thước lớn và duy trì mồi nước. Thân van làm từ gang cầu GGG50, giúp thiết bị có khả năng chịu va đập thủy lực và áp suất lớn mà không bị nứt vỡ.
Sản phẩm được phủ lớp sơn Epoxy bảo vệ màu xanh đặc trưng với độ dày tối thiểu 250 micron, giúp ngăn chặn quá trình oxy hóa từ môi trường nước. Kết nối mặt bích linh hoạt theo tiêu chuẩn ISO 5211 và BS 5155 giúp rọ bơm tương thích với hầu hết các hệ thống đường ống hiện nay.
Với khả năng chịu áp suất làm việc lên đến PN16 hoặc PN25, AUTA 5100H là giải pháp tối ưu cho các tòa nhà cao tầng và trạm bơm công suất lớn. Nhiệt độ làm việc ổn định trong ngưỡng 0°C đến 80°C, phù hợp cho cả hệ thống nước lạnh và nước ấm công nghiệp.
Cấu tạo kỹ thuật
Cấu tạo của rọ bơm AUTA 5100H được tối ưu hóa để giảm thiểu tổn thất áp suất khi dòng chảy đi qua. Mỗi bộ phận đều được lựa chọn vật liệu kỹ lưỡng nhằm chống lại sự ăn mòn và mài mòn trong điều kiện làm việc liên tục.
| STT | Tên bộ phận | Vật liệu chi tiết | Đặc tính vật lý |
|---|---|---|---|
| 1 | Thân rọ (Body) | Gang cầu GGG50 | Chịu áp lực cao, chống nứt vỡ |
| 2 | Đế van (Base) | Gang cầu GGG50 | Cố định cấu trúc, chịu lực dòng chảy |
| 3 | Lò xo (Spring) | Thép không gỉ SS304 | Đàn hồi tốt, chống gỉ sét tuyệt đối |
| 4 | Trục van (Stem) | Thép không gỉ SS304 | Dẫn hướng đĩa van chính xác |
| 5 | Đĩa van (Disc) | GGG50 + EPDM | Đảm bảo độ kín, giảm tiếng ồn |
| 6 | Bulong (Bolt) | Thép không gỉ SS304 | Kết nối chắc chắn, dễ tháo rời |
| 7 | Lưới lọc (Screen) | Thép không gỉ SS304 | Diện tích lọc lớn, thoát nước nhanh |
Sự kết hợp giữa đĩa van gang bọc cao su EPDM và lò xo inox giúp van đóng lại ngay lập tức khi máy bơm ngừng hoạt động. Điều này giúp loại bỏ hoàn toàn hiện tượng “búa nước” có thể gây hư hỏng cho cánh bơm và hệ thống đường ống phía trên.
Dải kích thước
Việc lựa chọn kích thước rọ bơm phù hợp với đường kính ngoài của ống (phi) là yếu tố sống còn để đảm bảo lưu lượng nước. Dưới đây là bảng đối chiếu giữa kích thước định danh DN, kích thước hệ inch và đường kính ống tương ứng.
| DN | Inch | Phi (mm) | D (Mặt bích mm) |
|---|---|---|---|
| DN50 | 2″ | Phi 60 | 165 |
| DN65 | 2.5″ | Phi 73 – 76 | 185 |
| DN80 | 3″ | Phi 90 | 200 |
| DN100 | 4″ | Phi 110 – 114 | 220/235 |
| DN125 | 5″ | Phi 140 – 141 | 250/270 |
| DN150 | 6″ | Phi 160 – 168 | 285/300 |
| DN200 | 8″ | Phi 219 | 340/360 |
| DN250 | 10″ | Phi 273 | 405/425 |
| DN300 | 12″ | Phi 324 | 460/485 |
Thông số n-d trong catalogue thể hiện số lượng và đường kính lỗ bulong trên mặt bích. Ví dụ, DN80 sử dụng 8 lỗ phi 19, trong khi DN300 sử dụng tới 16 lỗ phi 23 hoặc phi 28 tùy theo tiêu chuẩn áp suất PN16 hay PN25.
Kích thước D1 đại diện cho đường kính lưới lọc, được thiết kế rộng hơn để tăng diện tích tiếp xúc với chất lỏng. Điều này giúp giảm tốc độ dòng chảy qua lưới, hạn chế rác bám chặt vào bề mặt lưới gây nghẹt dòng.
Hiệu suất thực tế
Trong vận hành công nghiệp, rọ bơm AUTA 5100H thể hiện hiệu suất vượt trội nhờ thiết kế thủy lực thông minh. Khoảng cách nâng của đĩa van được tính toán để lưu lượng đi qua là tối đa nhưng lực cản là tối thiểu.
Đặc điểm nổi bật về hiệu suất:
- Độ kín tuyệt đối: Lớp cao su EPDM đàn hồi tốt giúp ngăn nước rò rỉ ngược lại bể chứa, duy trì áp suất đường ống ổn định.
- Chống ăn mòn hóa học: Lớp phủ Epoxy 250 micron bảo vệ gang khỏi các tác nhân gây ăn mòn trong nước thải hoặc nước nhiễm phèn.
- Giảm tiếng ồn: Lò xo SS304 giảm chấn giúp van đóng êm, không gây ra các tiếng động va đập cơ khí mạnh.
- Tự làm sạch: Cấu trúc lưới lọc inox với các lỗ thoát tiêu chuẩn giúp hạn chế việc tích tụ bùn đất tại đáy rọ.
Tại các hệ thống thực tế, rọ bơm AUTA giúp kéo dài tuổi thọ máy bơm thêm 30% nhờ việc loại bỏ các hạt rắn gây mài mòn cánh bơm. Hiệu suất lọc rác được duy trì ổn định ngay cả khi rọ bơm ngâm lâu ngày trong môi trường nước có độ kiềm nhẹ.
Kỹ thuật lắp đặt
Quy trình lắp đặt rọ bơm AUTA 5100H cần tuân thủ các bước kỹ thuật để đảm bảo thiết bị hoạt động chính xác. Sai sót trong lắp đặt có thể dẫn đến hiện tượng e-ke (lọt khí) hoặc làm hỏng máy bơm do thiếu nước.
Các lưu ý quan trọng khi lắp đặt:
- Vị trí lắp đặt: Rọ bơm phải được lắp theo phương thẳng đứng, hướng lưới lọc xuống phía dưới đáy bể hút.
- Khoảng cách an toàn: Nên đặt rọ bơm cách đáy bể tối thiểu 2 lần đường kính ống để tránh hút bùn và cát.
- Lựa chọn gioăng: Sử dụng gioăng cao su đệm mặt bích phù hợp để đảm bảo độ kín khít giữa rọ và đường ống hút.
- Kiểm tra hướng dòng: Mũi tên đúc nổi trên thân van chỉ hướng dòng chảy đi lên máy bơm, tuyệt đối không lắp ngược.
- Siết bulong: Thực hiện siết bulong theo sơ đồ đối xứng để lực ép lên mặt bích đồng đều, tránh làm vênh mặt tiếp xúc.
Sau khi lắp đặt, cần tiến hành mồi nước và vận hành thử máy bơm để kiểm tra xem rọ có giữ nước tốt hay không. Nếu mực nước trong ống không tụt sau 12-24 giờ ngừng bơm, nghĩa là rọ bơm đã được lắp đặt đạt tiêu chuẩn.
Phạm vi ứng dụng
Với cấu tạo từ gang cầu và inox bền bỉ, rọ bơm AUTA 5100H được ứng dụng rộng rãi trong nhiều lĩnh vực then chốt. Sự đa dạng về kích thước từ DN50 đến DN300 giúp sản phẩm có mặt từ các tòa nhà dân dụng đến các tổ hợp công nghiệp nặng.
Các hệ thống tiêu biểu bao gồm:
- Hệ thống PCCC: Cung cấp nguồn nước tức thời cho bơm bù áp và bơm chính trong các tình huống khẩn cấp.
- Xử lý nước sạch: Trạm bơm cấp nước đô thị, nhà máy lọc nước tập trung sử dụng rọ bơm để lấy nước từ nguồn sông, hồ.
- Thủy lợi và nông nghiệp: Các trạm bơm tưới tiêu quy mô lớn cần rọ bơm bền bỉ để vận hành trong môi trường nước phù sa.
- Công nghiệp thực phẩm: Sử dụng trong các dây chưng cất hoặc hệ thống làm mát bằng nước tuần hoàn.
- Hệ thống HVAC: Ứng dụng trong các tháp giải nhiệt, hệ thống Chiller của các trung tâm thương mại và nhà máy.
Sản phẩm AUTA 5100H không chỉ là một linh kiện cơ khí, mà là giải pháp bảo vệ an toàn cho toàn bộ hệ thống thủy lực. Đầu tư vào rọ bơm chất lượng từ Malaysia giúp chủ đầu tư tiết kiệm chi phí sửa chữa máy bơm và giảm thiểu thời gian dừng máy ngoài ý muốn.


