Mô tả
Tổng quan sản phẩm
Trong kỷ nguyên tự động hóa hạ tầng, van bướm điều khiển điện AUT FIG066 là giải pháp kỹ thuật cao cấp nhất thuộc hệ van điều khiển thông minh. Với xuất xứ từ Malaysia, sản phẩm kết hợp giữa thân van Wafer gọn nhẹ và bộ truyền động điện (Electric Actuator), giúp vận hành hệ thống từ xa hoàn toàn tự động.
Thiết kế dạng kẹp (Wafer) giúp tối ưu hóa không gian lắp đặt, giảm trọng tải lên đường ống nhưng vẫn đảm bảo khả năng đóng ngắt chính xác nhờ lực momen xoắn từ động cơ. Đây là thiết bị chiến lược cho các nhà máy xử lý nước hiện đại, hệ thống HVAC tòa nhà và các dây chuyền sản xuất yêu cầu điều tiết lưu lượng tự động.
Mặc dù thường dùng trong công nghiệp, FIG066 còn được ứng dụng đặc biệt trong hệ van PCCC tại các vị trí cần kích hoạt đóng ngắt từ phòng điều khiển trung tâm. Việc điều khiển bằng động cơ giúp rút ngắn thời gian phản ứng, đảm bảo sự vận hành chính xác và an toàn tuyệt đối trong các tình huống khẩn cấp.
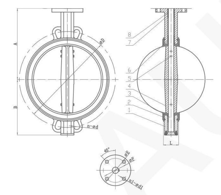
Cấu tạo động cơ
Van bướm AUT FIG066 bao gồm hai thành phần chính: thân van gang cầu chịu lực và bộ truyền động điện đạt tiêu chuẩn bảo vệ quốc tế IP67. Động cơ điện sử dụng nguồn 24V, 220V hoặc 380V, tích hợp cơ chế ngắt hành trình tự động giúp bảo vệ van và hệ thống điện khỏi hiện tượng quá tải khi vận hành.
| Bộ phận | Vật liệu & Thông số |
|---|---|
| Thân van (Body) | Gang cầu (Ductile Iron) phủ Epoxy |
| Đĩa van (Disc) | Thép không gỉ SS304 / CF8 |
| Vòng đệm (Seat) | Cao su EPDM chịu đàn hồi và nhiệt độ |
| Bộ truyền động | Động cơ điện (Electric Actuator) tiêu chuẩn IP67 |
| Tính năng phụ | Tay quay phụ (Manual Override) khi mất điện |
| Xuất xứ | Malaysia (AUT Valve) |
Kích cỡ DN50-DN300
Dòng van bướm điều khiển điện FIG066 tập trung vào dải kích thước tối ưu từ DN50 đến DN300, đảm bảo hiệu suất đóng mở nhanh và chính xác nhất. Các thông số kỹ thuật được tính toán đồng bộ giúp bộ truyền động điện vận hành êm ái, không gây hiện tượng rung lắc hay tiếng ồn lớn trên đường ống.
Thiết bị có chiều dài thân cực ngắn, giúp việc thi công tại các vị trí chật hẹp như hầm máy hay hộp kỹ thuật trở nên dễ dàng hơn. Việc giới hạn dải kích thước đến DN300 giúp motor điện duy trì được momen xoắn ổn định, đảm bảo độ kín khít 100% ngay cả sau hàng ngàn chu kỳ vận hành tự động.
Mọi sản phẩm FIG066 đều trải qua quy trình kiểm tra kép: thử nghiệm áp suất thủy tĩnh cho thân van đạt chuẩn PN16 và kiểm tra hành trình đóng mở cho động cơ điện. Điều này đảm bảo mỗi đơn vị sản phẩm khi xuất xưởng đều sẵn sàng tích hợp ngay vào hệ thống điều khiển PLC hoặc BMS của tòa nhà.
| Size (DN) | Chiều dài L (mm) | Nguồn điện sử dụng | Thời gian đóng/mở (s) |
|---|---|---|---|
| 50 – 100 | 43 – 52 | 24V / 220V AC/DC | 10 – 20s |
| 125 – 200 | 56 – 60 | 220V / 380V AC | 20 – 40s |
| 250 – 300 | 66 – 77 | 220V / 380V AC | 40 – 60s |
Ứng dụng thực tế
Trong công nghiệp, AUT FIG066 ứng dụng hiệu quả tại các nhà máy xử lý nước thải tập trung, hệ thống điều hòa không khí Chiller và các dây chuyền sản xuất tự động. Khả năng điều khiển từ xa thông qua tín hiệu 4-20mA hoặc On/Off giúp chủ đầu tư tối ưu hóa quy trình vận hành và tiết kiệm chi phí nhân công.
Đối với hệ van PCCC, thiết bị này là giải pháp lý tưởng cho các vị trí cần cô lập khu vực cháy tự động hoặc các trạm bơm yêu cầu điều khiển tập trung. Động cơ điện tích hợp công tắc hành trình cho phép gửi tín hiệu phản hồi trạng thái van về trung tâm báo cháy, giúp giám sát hạ tầng an toàn tuyệt đối.
Ngoài ra, van còn được trang bị vô lăng phụ trợ (Manual Override) giúp vận hành thủ công dễ dàng trong trường hợp sự cố mất điện đột ngột. Sự linh hoạt này kết hợp với độ bền từ nhà sản xuất Malaysia giúp FIG066 trở thành thành phần cốt lõi trong các hạ tầng đường ống thông minh hiện nay.
Tiêu chuẩn tin cậy
Mọi dòng van bướm điều khiển điện của AUT Malaysia đều tuân thủ dây chuyền công nghệ tự động hóa hiện đại, đảm bảo sự đồng nhất trên từng sản phẩm. Thân van gang cầu đạt tiêu chuẩn chịu áp lực PN16, có khả năng làm việc bền bỉ dưới mọi điều kiện thời tiết khắc nghiệt.
Động cơ điện được bảo vệ bởi vỏ nhôm đúc phủ sơn tĩnh điện, đạt tiêu chuẩn chống nước và bụi IP67, cho phép thiết bị làm việc ổn định trong môi trường công nghiệp ẩm ướt. Lớp sơn Epoxy trên thân van dày tối thiểu 250 micron đảm bảo khả năng chống oxy hóa và ăn mòn hóa học bền bỉ theo thời gian.
Lòng van thiết kế trơn mịn cùng đĩa inox SS304 giúp dòng chảy lưu thông mượt mà, tối ưu hóa công suất vận hành của hệ thống máy bơm. Thiết kế cơ cấu truyền động điện giúp việc điều khiển góc mở trở nên minh bạch và an toàn, loại bỏ các sai sót do vận hành thủ công bằng tay gây ra.
- Tiêu chuẩn thiết kế: Tuân thủ nghiêm ngặt quy định quốc tế về van điều khiển tự động.
- Độ bền động cơ: Đạt chuẩn IP67 với khả năng vận hành liên tục và độ tin cậy cao.
- Kiểm soát áp lực: Thử nghiệm thực tế Shell/Seal theo tiêu chuẩn quốc tế PN16.
Lưu ý lắp đặt
Khi tiến hành lắp đặt van bướm FIG066, kỹ thuật viên cần chú ý đấu nối nguồn điện và tín hiệu điều khiển đúng sơ đồ kỹ thuật để tránh chập cháy động cơ. Việc siết bu lông mặt bích đối xứng giúp van luôn đồng tâm, giảm thiểu lực ma sát lên trục khi động cơ thực hiện hành trình xoay đĩa.
Nên thực hiện kiểm tra định kỳ các tiếp điểm điện và tình trạng lớp gioăng làm kín để đảm bảo thiết bị luôn trong trạng thái sẵn sàng vận hành tự động. Việc lắp đặt van ở vị trí có không gian đủ rộng để thao tác vô lăng phụ khi cần thiết sẽ giúp công tác vận hành hệ thống trở nên chuyên nghiệp hơn.
Sử dụng van bướm điều khiển điện AUT FIG066 chính hãng xuất xứ Malaysia là sự đầu tư đúng đắn cho các dự án đòi hỏi tính hiện đại và tự động hóa cao. Sản phẩm không chỉ đảm bảo chức năng ngăn dòng mà còn là lá chắn bảo vệ độ bền vững cho hạ tầng mạng lưới đường ống công nghiệp.



