Mô tả
Tổng quan sản phẩm
Trong phân khúc van bướm thân nhôm cao cấp vận hành bằng hộp số, van bướm Tomoe 700Z-2F khẳng định vị thế dẫn đầu nhờ sự kết hợp hoàn hảo giữa trọng lượng siêu nhẹ và khả năng vận hành trợ lực ưu việt. Với xuất xứ từ Nhật Bản, sản phẩm sử dụng thân hợp kim nhôm đúc áp lực (ADC12), giúp giảm tải trọng tối đa cho hệ thống đường ống công nghiệp và chống ăn mòn môi trường xuất sắc.
Sản phẩm sở hữu kiểu kết nối dạng kẹp (Wafer) linh hoạt, tích hợp bộ truyền động bánh răng tay quay (Worm Gear) giúp đóng mở nhẹ nhàng, tránh hiện tượng búa nước trong đường ống. Đây là giải pháp kỹ thuật cốt lõi cho các hệ thống điều hòa trung tâm (HVAC), trạm xử lý nước và các dây chuyền sản xuất yêu cầu độ bền cơ khí cao.
Mặc dù là sản phẩm chủ lực trong hệ van công nghiệp, Tomoe 700Z-2F còn được ứng dụng rộng rãi trong hệ van PCCC nhờ khả năng duy trì trạng thái đóng mở ổn định và chính xác. Với áp suất vận hành 1.0 MPa và lớp vỏ nhôm không gỉ sét, thiết bị đảm bảo tính thẩm mỹ và tuổi thọ vượt trội cho mọi hạ tầng mạng lưới kỹ thuật.
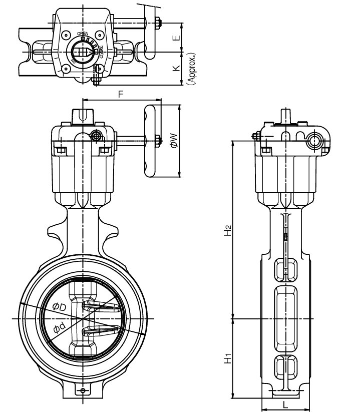
Cấu tạo kỹ thuật
Thiết bị được chế tác từ các vật liệu tuyển chọn theo tiêu chuẩn JIS Nhật Bản, đặc biệt là đĩa van dạng hình cầu giúp tối ưu hóa lưu lượng và giảm thiểu mài mòn vòng đệm. Sự kết hợp giữa thân nhôm ADC12 và đĩa Inox 316 mang lại khả năng kháng hóa chất và chịu áp lực bền bỉ trong môi trường công nghiệp.
| Bộ phận kỹ thuật | Vật liệu chi tiết |
|---|---|
| Thân van (Body) | Hợp kim nhôm đúc áp lực (ADC12) |
| Đĩa van (Disc) | Thép không gỉ SCS13 (Inox 304) hoặc SCS14 (Inox 316) |
| Trục van (Stem) | Thép không gỉ SUS420J2 (AISI 420) |
| Vòng đệm (Seat) | Cao su EPDM (Chống nhiệt và đàn hồi cao) |
| Bộ truyền động | Hộp số tay quay vô lăng (Worm Gear) |
| Xuất xứ | Nhật Bản (Tomoe Valve) |
Kích cỡ DN40-DN300
Dòng van tay quay Tomoe 700Z-2F cung cấp dải kích thước toàn diện từ DN40 đến DN300, đáp ứng mọi quy mô trục đường ống từ trung bình đến lớn trong hạ tầng kỹ thuật. Trọng lượng của van cực kỳ tối ưu, chỉ từ 0.8kg (DN40) đến 18kg (DN300), giúp giảm đáng kể chi phí nhân công và vật tư treo móc.
Sản phẩm vận hành ổn định trong dải nhiệt độ từ -20°C đến 120°C đối với đệm EPDM, tương thích với hầu hết các tiêu chuẩn mặt bích phổ biến như JIS 5K/10K, ANSI 125/150Lb và PN10. Việc sử dụng hộp số giúp việc điều tiết lưu lượng trở nên mịn màng, bảo vệ toàn bộ hệ thống máy bơm và đồng hồ đo.
| Kích thước (DN) | Chiều dài L (mm) | Vô lăng φW (mm) | Trọng lượng (kg) |
|---|---|---|---|
| DN40 – DN80 | 35 – 46 | 70 | 0.8 – 1.7 |
| DN100 – DN150 | 52 – 56 | 70 – 100 | 2.2 – 4.7 |
| DN200 – DN300 | 60 – 78 | 125 – 200 | 7.2 – 18.0 |
Ứng dụng thực tế
Trong hệ van công nghiệp, Tomoe 700Z-2F là lựa chọn hàng đầu cho hệ thống tuần hoàn nước giải nhiệt, tháp giải nhiệt và các nhà máy dược phẩm sạch. Đĩa van bằng Inox SCS14 chống ăn mòn tuyệt đối, đảm bảo lưu chất không bị biến tính và duy trì lưu lượng dòng chảy ổn định lên tới 3 m/s.
Đối với hệ van PCCC, sản phẩm đặc biệt phù hợp cho các cụm van báo động hoặc trạm bơm nhờ tính năng tay quay giúp đóng mở an toàn, tránh rung chấn mạnh cho đường ống. Sự bền bỉ của vật liệu nhôm giúp van không bị kẹt hay bó cứng trục sau thời gian dài không vận hành, đảm bảo an toàn cho công trình.
Ngoài ra, nhờ kích thước gọn nhẹ và thiết kế thẩm mỹ, van còn được ứng dụng rộng rãi trong các khu phức hợp và hạ tầng đô thị thông minh. Khả năng kết nối đa tiêu chuẩn giúp việc thay thế, nâng cấp hệ thống trở nên đồng bộ và chuyên nghiệp, tiết kiệm tối đa thời gian dừng máy cho doanh nghiệp.
Tiêu chuẩn tin cậy
Tomoe 700Z-2F đạt tiêu chuẩn rò rỉ Rate A (Tight shut-off) theo chuẩn JIS B 2003, cam kết không rò rỉ lưu chất khi van ở trạng thái đóng hoàn toàn. Thân nhôm đúc ADC12 bền bỉ kết hợp cùng lớp phủ Urethane coating giúp thiết bị chống lại các tác động tiêu cực từ độ ẩm và môi trường khắc nghiệt.
Lòng van trơn nhẵn cùng thiết kế vòng đệm thông minh giúp giảm lực ma sát, bảo vệ trục van thép không gỉ SUS420J2 khỏi sự mài mòn cơ học. Điều này không chỉ bảo vệ thân van mà còn bảo vệ toàn bộ hạ tầng mạng lưới đường ống công nghiệp, duy trì hiệu suất vận hành lâu dài cho chủ đầu tư.
- Tiêu chuẩn rò rỉ: JIS B 2003 Rate A (Kín hoàn toàn).
- Vật liệu chống gỉ: Thân nhôm ADC12 phủ Urethane.
- Vận hành an toàn: Hộp số bánh răng trợ lực chống búa nước.
Lưu ý lắp đặt
Khi lắp đặt van bướm Tomoe 700Z-2F tay quay, kỹ thuật viên cần định tâm van chính xác giữa các mặt bích để đảm bảo đệm cao su ép đều, ngăn ngừa rò rỉ cục bộ. Do thân van làm bằng nhôm, cần sử dụng lực siết bu lông vừa đủ theo khuyến cáo để tránh gây hư hỏng cấu trúc vỏ nhựa hoặc thân van.
Nên thực hiện kiểm tra định kỳ trạng thái mỡ bôi trơn trong hộp số và tình trạng kim chỉ báo đóng/mở để van luôn trong tư thế sẵn sàng cao nhất. Việc lắp đặt van đúng hướng dẫn kỹ thuật sẽ giúp công tác vận hành hệ thống van công nghiệp và PCCC trở nên chuyên nghiệp, hiệu quả và an toàn hơn.
Sử dụng van bướm tay quay Tomoe 700Z-2F chính hãng Nhật Bản là sự đầu tư xứng đáng cho tính an toàn và hiệu suất của mọi dự án hạ tầng lớn. Sản phẩm không chỉ đảm bảo chức năng đóng ngắt dứt khoát mà còn góp phần bảo vệ độ bền vững cho toàn bộ hệ thống đường ống mạng lưới kỹ thuật của bạn.



