Mô tả
Tổng quan Arita ARV-109WT(U)-S
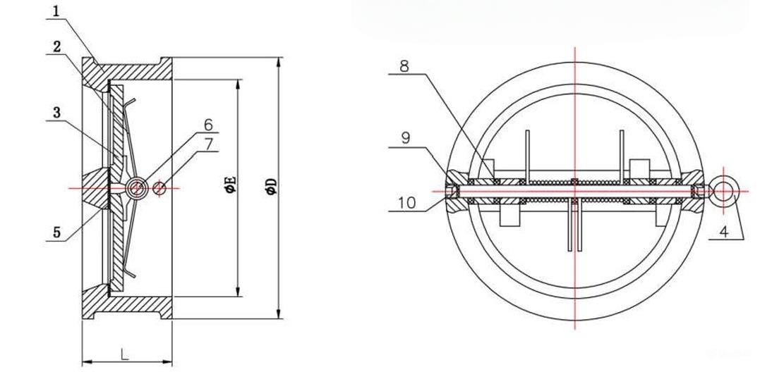
Van 1 chiều inox cánh bướm Arita ARV-109WT(U)-S là dòng van một chiều cánh đôi (Dual Plate Check Valve) cao cấp có xuất xứ Malaysia, thuộc danh mục trọng điểm của Hệ Van Công Nghiệp. Sản phẩm được chế tạo hoàn toàn từ thép không gỉ (Inox 304/316), chuyên dụng để ngăn chặn dòng chảy ngược và triệt tiêu hiện tượng búa nước trong các hệ thống đường ống công nghiệp. Với thiết kế dạng kẹp (Wafer type) siêu mỏng, ARV-109WT(U)-S là giải pháp tối ưu giúp tiết kiệm không gian lắp đặt và giảm thiểu đáng kể trọng lượng cho hạ tầng kỹ thuật.
Cơ chế vận hành của van dựa trên hai cánh lật inox hoạt động độc lập kết hợp với lò xo trợ lực, giúp van phản ứng tức thì với các biến động áp suất ngay cả ở mức nhỏ nhất. Kết nối dạng kẹp đa tiêu chuẩn (ANSI, JIS, PN) giúp việc lắp đặt giữa các mặt bích trở nên linh hoạt, đồng bộ và chịu được rung chấn cơ học cực tốt. Trong Hệ Van Công Nghiệp, thương hiệu Arita từ Malaysia khẳng định vị thế dẫn đầu nhờ quy trình đúc thép không gỉ chính xác, đảm bảo độ bền vĩnh cửu trong môi trường hóa chất và thực phẩm.
Sản phẩm sử dụng đệm làm kín bằng cao su EPDM hoặc PTFE (tùy chọn), đạt độ kín khít tuyệt đối ngay cả khi áp suất dội ngược ở mức thấp. Việc ứng dụng van Arita ARV-109WT(U)-S mang lại sự tin cậy tuyệt đối, bảo vệ máy bơm inox và các thiết bị đo lường đắt tiền khỏi xung lực ngược phá hoại. Đây là giải pháp kỹ thuật bền vững giúp duy trì tính liên tục của quy trình sản xuất và đảm bảo tiêu chuẩn vệ sinh an toàn cho các hệ thống đường ống inox vi sinh.
Cấu tạo vật liệu
Hệ thống vật liệu của ARV-109WT(U)-S được chọn lọc khắt khe để chịu được ứng suất cơ học lớn và môi trường làm việc ăn mòn hóa lý liên tục. Sự kết hợp giữa thân inox đúc nguyên khối và cánh van inox 316 giúp thiết bị duy trì hiệu suất đóng mở nhạy bén sau hàng nghìn giờ vận hành. Mọi chi tiết từ trục pin đến lò xo đều được gia công tinh xảo tại Malaysia, đảm bảo khả năng kháng oxy hóa bề mặt tối ưu cho Hệ Van Công Nghiệp.
| Bộ phận chi tiết | Vật liệu (Material) | Thông số kỹ thuật |
|---|---|---|
| Thân van (Body) | Thép không gỉ (Inox) | ASTM A351 CF8 / CF8M |
| Cánh van (Disc) | Thép không gỉ (Inox) | ASTM A351 CF8 / CF8M |
| Lò xo (Spring) | Thép không gỉ (Inox) | AISI 304 / 316 |
| Trục van (Pin) | Thép không gỉ (Inox) | AISI 316 siêu bền |
Dải kích thước
Dòng van cánh bướm inox Arita ARV-109WT(U)-S cung cấp dải kích cỡ dạng kẹp linh hoạt từ DN50 đến DN300, đáp ứng đa dạng quy mô của Hệ Van Công Nghiệp. Sự nhỏ gọn đặc trưng của kiểu kết nối Wafer giúp thiết bị dễ dàng triển khai tại các vị trí phòng máy chật hẹp hoặc trên các trục đứng tòa nhà. Sản phẩm xuất xứ Malaysia có trọng lượng siêu nhẹ, giúp giảm tải trọng tĩnh lên hệ thống giá đỡ và đơn giản hóa quá trình thi công tại công trường.
Việc chuẩn hóa dải kích thước từ 2″ đến 12″ giúp các nhà thầu M&E dễ dàng bóc tách vật tư và đồng bộ hóa hệ thống đường ống inox trên toàn dự án. Mỗi kích cỡ đều được tính toán lực lò xo tương ứng để tối ưu hóa lưu lượng lưu thông, giảm thiểu tổn thất áp suất và bảo vệ trục máy bơm hiệu quả. Dưới đây là bảng thông số kích thước tiêu chuẩn của dòng Arita ARV-109WT(U)-S:
| Size (DN) | Kích thước (Inch) | Chiều dài L (mm) | Trọng lượng (kg) |
|---|---|---|---|
| DN50 – DN100 | 2″ – 4″ | 43 – 64 | 1.5 – 3.8 |
| DN125 – DN200 | 5″ – 8″ | 70 – 95 | 6.2 – 14.5 |
| DN250 – DN300 | 10″ – 12″ | 108 – 143 | 25.0 – 41.0 |
Ưu điểm vận hành
Arita ARV-109WT(U)-S sở hữu khả năng vận hành vượt trội nhờ thiết kế cánh đôi đóng nhanh, triệt tiêu tiếng ồn và xung chấn hiệu quả khi dòng chảy ngừng. Thiết bị phản ứng nhạy bén, khép kín ngay lập tức để ngăn dòng nước dội ngược phá hoại cánh bơm inox công suất lớn trong các nhà máy. Đây là dòng van một chiều cánh bướm chất lượng cao, mang đậm dấu ấn kỹ thuật khắt khe của thương hiệu Arita Malaysia trong Hệ Van Công Nghiệp.
- Vật liệu Inox 316 kháng rỉ sét tuyệt đối, chịu được hóa chất, dung môi và môi trường nước biển.
- Cơ chế lò xo đóng êm giúp triệt tiêu búa nước, bảo vệ an toàn cho hệ thống đường ống trục chính.
- Thiết kế mỏng nhẹ giúp tiết kiệm chi phí vật tư mặt bích và không gian lắp đặt đáng kể.
Sản phẩm xuất xứ Malaysia trải qua quy trình kiểm tra áp lực vỏ và ghế van nghiêm ngặt bằng thiết bị chuyên dụng trước khi bàn giao dự án. Khả năng tự làm sạch bề mặt cánh van trong quá trình vận hành giúp thiết bị ít bị kẹt do tạp chất bám dính, đảm bảo tuổi thọ lâu dài. ARV-109WT(U)-S mang lại giá trị vận hành tối ưu, giúp doanh nghiệp tiết kiệm chi phí bảo trì và nâng cao tính an toàn cho hạ tầng kỹ thuật.
Lưu ý kỹ thuật
Để Hệ Van Công Nghiệp hoạt động ổn định, van cánh bướm inox ARV-109WT(U)-S cần được lắp đặt đúng theo hướng mũi tên chỉ chiều dòng chảy trên thân van. Thiết bị có thể lắp đặt linh hoạt theo phương nằm ngang hoặc phương đứng (dòng chảy đi lên) tùy theo yêu cầu thực tế của hạ tầng đường ống. Kỹ thuật viên cần đảm bảo mặt bích đường ống đồng tâm tuyệt đối khi siết bulông kẹp để tránh làm lệch cánh van hoặc kẹt hành trình lò xo.
Kỹ thuật viên cần vệ sinh sạch bề mặt bích và sử dụng gioăng đệm (PTFE hoặc EPDM) phù hợp để đảm bảo mối nối không bị rò rỉ tại các size lớn. Cần siết bu lông mặt bích theo thứ tự đối xứng để lực ép dàn đều, tránh gây biến dạng bích hoặc làm nứt tai bích do ứng suất cơ học tập trung. Việc kiểm tra định kỳ tình trạng của lò xo và đĩa chặn thông qua nắp van sẽ giúp duy trì hiệu suất vận hành tốt nhất cho toàn bộ hệ thống máy bơm.
Sản phẩm xuất xứ Malaysia đảm bảo đầy đủ các chứng chỉ kỹ thuật, đáp ứng tốt cho các yêu cầu khắt khe của dự án vốn FDI hoặc nhà máy thực phẩm. Sự tỉ mỉ trong khâu thi công theo đúng quy trình hướng dẫn của nhà sản xuất là yếu tố then chốt quyết định tuổi thọ của thiết bị. Arita ARV-109WT(U)-S mang lại sự vững bền từ chất liệu inox, đồng hành cùng sự ổn định lâu dài của cả Hệ Van Công Nghiệp Việt Nam.
Ứng dụng thực tế
Arita ARV-109WT(U)-S được ứng dụng rộng rãi trong các hệ thống dẫn hóa chất, xử lý nước thải dệt nhuộm và các dây chuyền sản xuất dược phẩm sạch. Sản phẩm đóng vai trò ngăn dòng ngược dội về cụm máy bơm inox khi dừng hoạt động, bảo vệ an toàn cho cánh bơm và phớt làm kín đắt tiền. Tại các nhà máy bia và nước giải khát, van đáp ứng các tiêu chuẩn vệ sinh khắt khe nhờ đặc tính không rỉ sét vĩnh viễn của vật liệu thép không gỉ.
Với uy tín từ xuất xứ Malaysia và chất lượng đúc inox vượt trội, dòng ARV-109WT(U)-S luôn là lựa chọn hàng đầu cho các dự án đòi hỏi độ tin cậy cao. Khả năng vận hành ổn định giúp người dùng tiết kiệm chi phí thay thế linh kiện và nâng cao tính an toàn cho quy trình quản lý dòng lưu chất. Minh Hòa cam kết mang lại giải pháp Hệ Van Công Nghiệp chất lượng cao, đồng hành cùng sự vững chắc của mọi công trình hạ tầng.


