Mô tả
Tổng quan
Van an toàn YNV Model HSV-3S là dòng thiết bị xả áp kiểu lò xo trực tiếp, được chế tạo từ đồng đúc cao cấp với xuất xứ chính hãng từ Hàn Quốc. Sản phẩm đóng vai trò là “chốt chặn cuối cùng” giúp bảo vệ hệ thống đường ống, bình tích áp và các thiết bị nhiệt khỏi rủi ro nứt vỡ do áp suất vượt ngưỡng. Với cấu trúc nhỏ gọn nhưng vô cùng bền bỉ, HSV-3S được tin dùng rộng rãi trong các hệ thống hơi nóng, khí nén và chất lỏng trung tính tại các nhà máy công nghiệp hiện đại.
YNV là thương hiệu van hàng đầu Hàn Quốc, nổi tiếng với quy trình kiểm định khắt khe và độ chính xác cơ khí cực cao trên từng model sản phẩm. Dòng HSV-3S được thiết kế đặc biệt với nắp kín và tay giật (Lever), cho phép người vận hành kiểm tra tình trạng hoạt động của van thủ công một cách an toàn. Sự kết hợp giữa chất liệu đồng chống ăn mòn và công nghệ lò xo tiên tiến giúp van duy trì độ nhạy bén, đảm bảo phản ứng tức thì khi có sự cố quá áp xảy ra.
Cấu tạo kỹ thuật
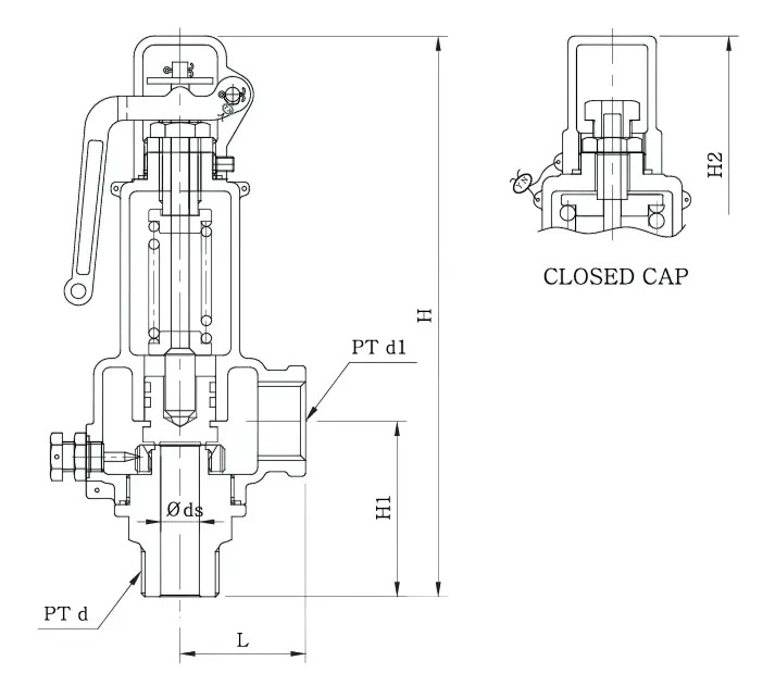
Cấu tạo của van an toàn YNV HSV-3S tập trung vào tối ưu hóa dòng chảy xả và đảm bảo độ kín khít tuyệt đối khi ở trạng thái áp suất làm việc định mức. Thân van được đúc bằng đồng Bronze (BC6), một vật liệu có khả năng chịu nhiệt và kháng oxy hóa vượt trội trong môi trường hơi nước thường trực. Hệ thống lò xo bên trong được tính toán lực nén tỉ mỉ, giúp đĩa van nâng lên chính xác tại giá trị cài đặt và đóng lại ngay khi áp suất trở về ngưỡng an toàn.
| Bộ phận | Vật liệu chi tiết | Đặc tính công nghiệp |
|---|---|---|
| Thân van (Body) | Đồng đúc (Bronze/Brass) | Chống rỉ sét, chịu nhiệt tối đa 220°C. |
| Nắp van (Bonnet) | Đồng / Gang | Thiết kế bảo vệ lò xo khỏi tác động bên ngoài. |
| Đĩa & Đế van | Thép không gỉ (Stainless Steel) | Bề mặt làm kín siêu mịn, chống mài mòn hóa học. |
| Lò xo (Spring) | Thép lò xo hợp kim | Độ đàn hồi chuẩn, không bị mỏi nhiệt sau nhiều lần xả. |
| Tay giật (Lever) | Thép / Gang | Hỗ trợ xả áp thủ công để kiểm tra định kỳ. |
Dải kích thước
Van an toàn đồng YNV HSV-3S được sản xuất với dải kích thước ren từ DN15 đến DN50, phù hợp cho các hệ thống đường ống quy mô vừa và nhỏ. Việc lựa chọn kích thước van cần dựa trên lưu lượng xả tính toán và đường kính ống phi (Φ) tương ứng để tránh hiện tượng sụt áp tại đầu vào. Dưới đây là bảng đối chiếu kích thước định danh và thông số ống thực tế thường gặp trong lắp đặt kỹ thuật:
| Kích thước DN | Kích thước Inch | Tương ứng ống Phi (Φ) | Áp suất cài đặt (kgf/cm²) |
|---|---|---|---|
| DN15 | 1/2″ | Φ 21 mm | 0.35 ~ 10 kgf/cm² |
| DN20 | 3/4″ | Φ 27 mm | 0.35 ~ 10 kgf/cm² |
| DN25 | 1″ | Φ 34 mm | 0.35 ~ 10 kgf/cm² |
| DN32 | 1-1/4″ | Φ 42 mm | 0.35 ~ 10 kgf/cm² |
| DN40 | 1-1/2″ | Φ 49 mm | 0.35 ~ 10 kgf/cm² |
| DN50 | 2″ | Φ 60 mm | 0.35 ~ 10 kgf/cm² |
Hiệu suất thực tế
Hiệu suất vận hành của YNV HSV-3S được chứng minh qua khả năng chịu áp lực làm việc lên tới 33 bar và dải nhiệt độ phục vụ rộng đến 220°C. Nhờ công nghệ gia công mặt phẳng đế van siêu chính xác của Hàn Quốc, sản phẩm đạt được độ kín Class VI, giúp ngăn chặn triệt để hiện tượng rò rỉ hơi nước. Điều này giúp doanh nghiệp tiết kiệm đáng kể chi phí nhiên liệu đốt nồi hơi và giảm thiểu lãng phí khí nén trong quá trình vận hành lâu dài.
Đặc tính nổi bật nhất là khả năng phản ứng “Pop-action” – van mở hoàn toàn ngay khi áp suất đạt điểm cài đặt để giải phóng áp lực nhanh nhất có thể. Sau khi xả xong, nhờ lực lò xo cân bằng, van đóng lại cực kỳ dứt khoát, không xảy ra hiện tượng “ngâm áp” hay rung lắc gây hại cho đường ống. Vật liệu đồng BC6 giúp van duy trì thẩm mỹ và chất lượng bề mặt ổn định ngay cả khi làm việc trong môi trường nóng ẩm thường xuyên.
Kỹ thuật lắp đặt
Để van an toàn YNV HSV-3S hoạt động đúng thông số kỹ thuật, việc lắp đặt phải tuân thủ nghiêm ngặt nguyên tắc trọng lực và hướng dòng chảy. Van phải được lắp theo phương thẳng đứng, hướng tay giật lên trên, đặt tại vị trí cao nhất của bình tích áp hoặc đoạn ống hơi chính. Tuyệt đối không lắp đặt bất kỳ loại van khóa nào giữa thiết bị cần bảo vệ và van an toàn để đảm bảo đường xả luôn thông suốt.
Kết nối ren PT theo tiêu chuẩn ISO giúp việc lắp đặt trở nên nhanh chóng, tuy nhiên cần sử dụng cao su non hoặc keo trám ren chịu nhiệt để tránh rò rỉ. Đường ống xả từ cổng ra của van nên có kích thước bằng hoặc lớn hơn cổng ra của van và được dẫn ra khu vực an toàn để tránh gây bỏng cho công nhân. Định kỳ 3-6 tháng, người vận hành nên kéo tay giật để kiểm tra độ nhạy của lò xo, đảm bảo đĩa van không bị bó cứng do cặn bẩn tích tụ lâu ngày.
Phạm vi ứng dụng
Với chất lượng đạt chuẩn quốc tế từ Hàn Quốc, van an toàn đồng YNV HSV-3S là giải pháp ưu việt cho các hệ thống kỹ thuật yêu cầu độ bền cao. Sản phẩm tương thích tốt với các môi chất phổ biến như hơi nóng (Steam), khí nén (Air) và các loại khí không cháy, chất lỏng trung tính. Các ứng dụng thực tế điển hình bao gồm:
- Hệ thống nồi hơi nhỏ và vừa: Bảo vệ các lò hơi đốt củi, than, dầu trong ngành may mặc và thực phẩm.
- Bình tích khí nén: Lắp đặt trên các bồn chứa khí cho máy nén khí trục vít trong các xưởng cơ khí, ô tô.
- Thiết bị nhiệt tòa nhà: Bảo vệ hệ thống nước nóng trung tâm, bình giãn nở trong hệ HVAC của khách sạn, chung cư.
- Ngành giặt là công nghiệp: Ổn định áp suất cho các máy ủi lô, máy sấy hơi và nồi nấu tiệt trùng.
- Nhà máy bia và nước giải khát: Kiểm soát áp suất trong các bồn chứa nước nóng và hệ thống thanh trùng sản phẩm.
- Hệ thống khí công nghiệp: Ứng dụng trong các đường ống dẫn khí Nitơ, Argon bảo quản thực phẩm.



