Mô tả
Tổng quan Rinco TL23FJ
Van bi gang Rinco TL23FJ là dòng thiết bị khóa dòng chảy dạng hai thân (2-Piece Type) cao cấp.
Sản phẩm có xuất xứ từ Đài Loan, thuộc danh mục thiết bị chủ lực của Hệ Van Công Nghiệp hiện nay.
Thiết kế Full Port đảm bảo lưu lượng tối đa và giảm thiểu tối đa tình trạng sụt áp trên đường ống dẫn.
Sản phẩm bám sát tiêu chuẩn kết nối mặt bích JIS 10K, mang lại sự ổn định cho Hệ Van Công Nghiệp.
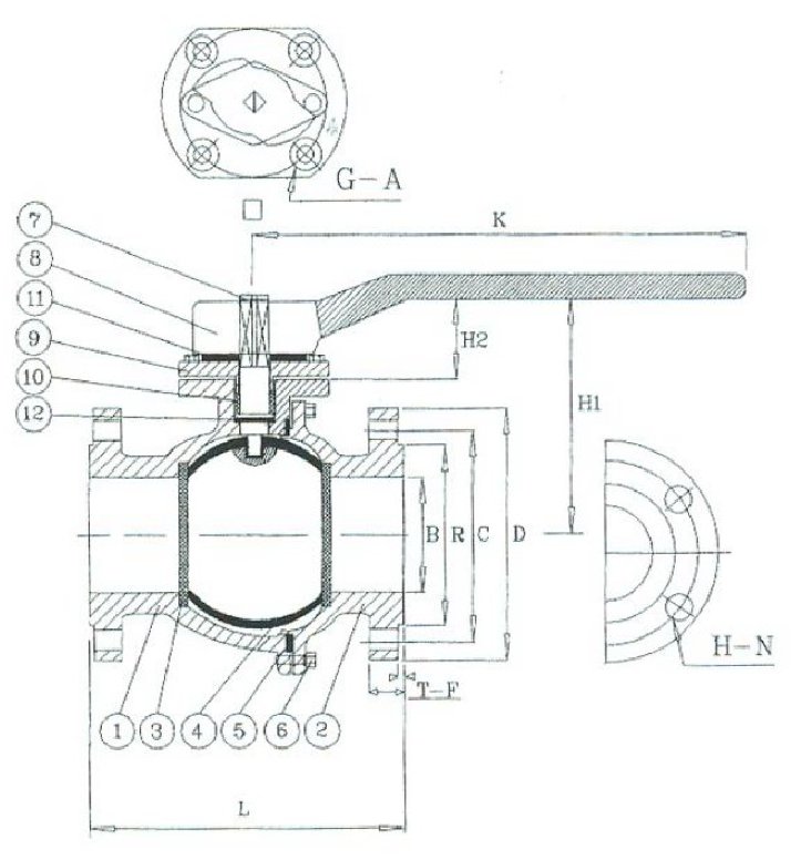
Thân van được đúc từ gang (Cast Iron) bền bỉ, chịu được áp suất vận hành tối đa lên đến 16 bar.
Rinco TL23FJ là giải pháp chốt chặn tin cậy cho các môi trường lưu chất như nước, khí nén và dầu nhẹ.
Van vận hành bằng tay gạt chắc chắn, cho phép đóng mở nhanh chóng chỉ bằng một thao tác xoay 90 độ.
Sự kết hợp giữa bi van bằng inox SUS304 và đệm kín Teflon giúp ngăn chặn tình trạng rò rỉ tuyệt đối.
Đây là lựa chọn tối ưu cho các dự án hạ tầng nhờ chất lượng Đài Loan ổn định và hiệu suất vận hành cao.
Cấu tạo vật liệu
Hệ thống vật liệu của Rinco TL23FJ được chọn lọc kỹ lưỡng nhằm đảm bảo tính bền vững cơ học.
Sự đồng nhất giữa thân gang và bi van inox giúp thiết bị vận hành trơn tru trong Hệ Van Công Nghiệp.
Mọi chi tiết từ trục van đến gioăng đệm đều bám sát tiêu chuẩn kỹ thuật khắt khe của nhà sản xuất Đài Loan.
| Bộ phận | Vật liệu (Material) | Đặc tính kỹ thuật |
|---|---|---|
| Thân van (Body) | Gang (Cast Iron) | Chịu áp lực 16 bar, bền bỉ |
| Bi van (Ball) | Inox SUS304 | Chống ăn mòn, lưu thông tốt |
| Đệm kín (Seat) | Teflon (PTFE) | Chịu nhiệt, kín khít tuyệt đối |
| Trục van (Stem) | Inox SUS304 | Độ bền cao, chống gỉ sét |
Dải kích thước
Rinco TL23FJ cung cấp dải kích cỡ mặt bích vô cùng rộng lớn từ DN15 đến DN300 (phi 21mm – 315mm).
Việc chuẩn hóa kích thước giúp thiết bị dễ dàng tích hợp vào mọi hạ tầng lớn nhỏ của Hệ Van Công Nghiệp.
Sản phẩm Đài Loan có thiết kế tối ưu, phù hợp cho cả các trục dẫn chính và hệ thống nhánh công suất lớn.
Mỗi kích cỡ từ danh định DN15 đến DN300 đều được quy đổi chuẩn xác bám sát thực tế thi công.
Việc lựa chọn đúng DN giúp đảm bảo tính đồng bộ kỹ thuật và an toàn cho toàn bộ hệ thống đường ống.
Dưới đây là bảng tra cứu ứng dụng và quy đổi ống phi phù hợp cho dòng van bi gang Rinco TL23FJ:
| Size (DN) | Ống phi (mm) | Chiều dài L (mm) | Ứng dụng phù hợp |
|---|---|---|---|
| DN15 – DN50 | 21mm – 60mm | 108 – 178 | Nhánh cấp nước, hệ thống khí nén xưởng |
| DN65 – DN100 | 76mm – 114mm | 190 – 229 | Trục cấp nước sạch, PCCC tòa nhà |
| DN125 – DN200 | 140mm – 219mm | 356 – 457 | Hệ thống xử lý nước thải, cấp thoát nước |
| DN250 – DN300 | 273mm – 315mm | 533 – 610 | Trục dẫn chính nhà máy, hạ tầng đô thị |
Ưu điểm vận hành
Rinco TL23FJ sở hữu khả năng vận hành bền bỉ nhờ thiết kế bi van xuyên tâm giảm thiểu sụt áp tối đa.
Vật liệu gang đúc dày dặn giúp thiết bị chịu được va đập cơ học tốt trong quá trình Hệ Van Công Nghiệp vận hành.
Sản phẩm khẳng định giá trị kỹ thuật thực dụng từ Đài Loan với khả năng làm việc ổn định tại áp suất 16 bar.
- Thiết kế Full Port cho phép dòng lưu chất đi qua hoàn toàn, không gây tắc nghẽn đường ống dẫn.
- Bộ làm kín bằng Teflon (PTFE) chịu được nhiệt độ cao và kháng hóa chất nhẹ cực kỳ hiệu quả.
- Kết nối mặt bích tiêu chuẩn JIS 10K giúp việc lắp đặt và bảo trì định kỳ trở nên vô cùng đơn giản.
Thiết bị hoạt động ổn định trong các môi trường lưu chất đa dạng như nước, không khí và dầu khí.
Khả năng chống rò rỉ vượt trội giúp doanh nghiệp tiết kiệm tài nguyên và bảo vệ hạ tầng kỹ thuật lâu dài.
Rinco TL23FJ là lựa chọn kinh tế hàng đầu để tối ưu hóa hiệu suất cho toàn bộ Hệ Van Công Nghiệp.
Lưu ý kỹ thuật
Để Hệ Van Công Nghiệp hoạt động ổn định, cần lắp Rinco TL23FJ tại vị trí thuận tiện thao tác tay gạt 90 độ.
Khi thi công, kỹ thuật viên phải đảm bảo bề mặt bích sạch sẽ và sử dụng gioăng đệm phù hợp để chống rò rỉ.
Cần siết bu lông mặt bích theo thứ tự đối xứng để lực ép dàn đều, tránh gây nứt vỡ tai bích của van gang.
Thực hiện sục rửa đường ống kỹ lưỡng trước khi vận hành nhằm loại bỏ tạp chất gây trầy xước bi van inox.
Tuyệt đối không dùng van bi để tiết lưu dòng chảy lâu dài vì dễ gây mòn bi và hỏng đệm làm kín Teflon.
Việc kiểm tra định kỳ độ kín khít của bộ phận Gland Packing sẽ giúp duy trì tuổi thọ lâu dài cho thiết bị.
Sản phẩm xuất xứ Đài Loan đảm bảo tiêu chuẩn vật liệu bám sát yêu cầu kỹ thuật của các dự án lớn.
Thi công đúng quy trình hướng dẫn của nhà sản xuất là yếu tố then chốt quyết định hiệu quả của thiết bị.
Rinco TL23FJ mang lại sự vững chắc từ gang đúc, đồng hành cùng sự ổn định của Hệ Van Công Nghiệp.
Ứng dụng thực tế
Van bi gang Rinco TL23FJ ứng dụng rộng rãi trong hệ thống cấp thoát nước, điều hòa thông gió và PCCC.
Sản phẩm đóng vai trò khóa chặn chính trên các trục dẫn nước sạch tòa nhà và hệ thống xử lý nước thải.
Tại các nhà máy công nghiệp, van được tin dùng nhờ khả năng chịu áp lực tốt và chi phí đầu tư rất cạnh tranh.
Với uy tín từ xuất xứ Đài Loan, TL23FJ luôn là lựa chọn hàng đầu cho các đơn vị tư vấn thiết kế M&E.
Khả năng vận hành ổn định giúp tiết kiệm chi phí bảo trì và nâng cao tính an toàn cho quy trình quản lý lưu chất.
Minh Hòa cam kết mang lại giải pháp Hệ Van Công Nghiệp chất lượng cao, vững bền cho mọi công trình.


