Mô tả
Giới thiệu chung
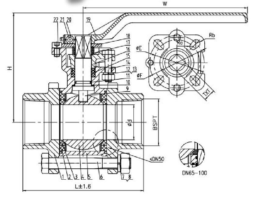
Van bi inox Arita ARV-100SE-3PC là dòng van khóa có kết cấu thân rời ba mảnh (3-Piece Body) đặc trưng.
Thiết kế này cho phép tháo rời hoàn toàn phần thân trung tâm để vệ sinh hoặc thay thế linh kiện mà không cần xả mối ren đầu ống.
Sản phẩm là giải pháp kỹ thuật tối ưu cho các hệ thống yêu cầu bảo trì thường xuyên trong Hệ Van Công Nghiệp.
Sản phẩm đạt tiêu chuẩn áp lực vận hành 1000 PSI W.O.G, đáp ứng tốt các yêu cầu khắt khe về độ bền áp suất.
Với thiết kế lỗ bi xuyên tâm (Full Port), van đảm bảo lưu lượng dòng chảy đạt mức tối đa và triệt tiêu hoàn toàn hiện tượng sụt áp.
ARV-100SE-3PC khẳng định đẳng cấp chất lượng của thương hiệu Arita trong việc kiểm soát lưu chất tại các hạ tầng hiện đại.
Thiết bị tích hợp tay gạt có chốt khóa an toàn, giúp cố định trạng thái đóng/mở và ngăn chặn các tác động ngoài ý muốn.
Trục van được gia cố theo cơ chế chống bung (Blow-out proof), mang lại sự an tâm tuyệt đối cho kỹ thuật viên khi vận hành.
Đây là dòng van inox bền bỉ, kết hợp hoàn hảo giữa tính linh hoạt cơ khí và hiệu suất hoạt động trong Hệ Van Công Nghiệp.
Vật liệu chế tạo
Hệ thống vật liệu của ARV-100SE-3PC được tuyển chọn từ các mác thép không gỉ cao cấp như SS304 hoặc SS316.
Sự kết hợp giữa thân van đúc chính xác và bộ đệm PTFE giúp thiết bị kháng lại mọi sự xâm thực từ hóa chất và oxy hóa.
Mỗi linh kiện cấu thành đều bám sát tiêu chuẩn vật lý nghiêm ngặt, đảm bảo tuổi thọ vĩnh cửu trong Hệ Van Công Nghiệp.
| Bộ phận chi tiết | Chất liệu (Material) | Ưu điểm kỹ thuật |
|---|---|---|
| Thân & Nắp van | Inox 304 / 316 (CF8/CF8M) | Chống ăn mòn, chịu áp 69 Bar |
| Bi chặn (Ball) | SUS 304 / 316 | Gia công bóng gương, chống mài mòn |
| Vòng đệm (Seat) | PTFE / R-PTFE | Chịu nhiệt 180°C, kín khít tuyệt đối |
| Bulong liên kết | Thép không gỉ 304 | Cố định 3 thân chắc chắn, không rỉ |
Kích thước & Ứng dụng
Arita ARV-100SE-3PC cung cấp dải kích cỡ nối ren linh hoạt từ DN15 đến DN100, tương ứng với các hệ ống phi 21mm đến 114mm.
Dải kích thước rộng giúp van ứng dụng phổ biến từ các đường ống nhánh nhỏ đến các trục dẫn chính của Hệ Van Công Nghiệp.
Sản phẩm bám sát các tiêu chuẩn ren quốc tế, giúp việc lắp đặt và thay thế trở nên nhanh chóng và đồng bộ.
Việc sử dụng thiết kế 3 mảnh giúp kỹ sư tháo phần thân giữa để kiểm tra đệm bi mà không làm ảnh hưởng đến mối nối ren.
Điều này giúp bảo vệ tính toàn vẹn của đầu ống, giảm thiểu rủi ro rò rỉ và tiết kiệm thời gian dừng máy bảo trì.
Dưới đây là bảng tra cứu quy đổi kích thước ống phi thực tế phù hợp cho dòng van bi inox 3 mảnh ARV-100SE-3PC:
| Kích thước (DN) | Ống phi (mm) | Kích thước (Inch) | Khu vực ứng dụng |
|---|---|---|---|
| DN15 – DN25 | 21mm – 34mm | 1/2″ – 1″ | Dây chuyền dược phẩm, chiết rót phòng sạch |
| DN32 – DN50 | 42mm – 60mm | 1.1/4″ – 2″ | Hệ thống dẫn hóa chất, thực phẩm bồn chứa |
| DN65 – DN100 | 76mm – 114mm | 2.1/2″ – 4″ | Trục cấp hơi nóng, khí nén trung tâm nhà máy |
Ưu điểm vận hành
ARV-100SE-3PC mang lại hiệu suất vận hành ổn định nhờ cấu trúc cơ khí cho phép can thiệp sâu để vệ sinh lòng van.
Bề mặt inox mịn màng ngăn chặn sự bám dính của tạp chất, bảo vệ độ tinh khiết tối đa cho dòng lưu chất chảy qua.
Sản phẩm là lựa chọn hàng đầu để nâng cao tính an toàn và hiệu quả quản lý dòng chảy trong Hệ Van Công Nghiệp.
- Cơ chế 3 mảnh giúp thay thế gioăng đệm cực nhanh, giảm chi phí vận hành so với việc thay mới toàn bộ.
- Tay gạt bọc nhựa dày giúp cách nhiệt hiệu quả và mang lại cảm giác vận hành chắc chắn cho người dùng.
- Khả năng chịu áp lực cao lên đến 1000 PSI đảm bảo hệ thống đứng vững trong các điều kiện vận hành khắc nghiệt.
Thiết bị hoạt động cực kỳ tin cậy trong các môi trường yêu cầu tốc độ dòng chảy nhanh và tần suất đóng mở liên tục.
Đệm PTFE cao cấp duy trì momen xoắn thấp, giúp giảm tải lực tác động lên trục van trong suốt vòng đời sử dụng.
ARV-100SE-3PC là minh chứng cho giải pháp kiểm soát lưu chất chuyên nghiệp của Arita trong Hệ Van Công Nghiệp.
Phạm vi ứng dụng
Van bi inox ARV-100SE-3PC được tin dùng trong ngành chế biến thực phẩm, bia rượu và sản xuất hóa mỹ phẩm sạch.
Sản phẩm đóng vai trò khóa chặn tại các bồn chứa dung môi, hệ thống xử lý nước thải y tế và trạm nén khí cao áp.
Tại các dây chuyền dệt nhuộm, dòng van này là lựa chọn ưu tiên nhờ khả năng kháng ăn mòn axit và kiềm mạnh mẽ.
Với chất lượng Inox 316 ưu việt, ARV-100SE-3PC là khắc tinh của môi trường nước biển và các dung dịch có tính xâm thực.
Khả năng bảo trì linh hoạt giúp doanh nghiệp kiểm soát hạ tầng kỹ thuật một cách an toàn và tối ưu hóa chi phí đầu tư.
Hệ Van Công Nghiệp cam kết mang đến những giải pháp đột phá, góp phần vào sự phát triển bền vững của mọi dự án.
Lưu ý lắp đặt
Khi lắp đặt ARV-100SE-3PC, cần chú ý siết các bulong thân theo trình tự chéo góc để lực ép lên gioăng đệm luôn đồng đều.
Sử dụng băng tan hoặc keo làm kín ren inox chuyên dụng để đảm bảo mối nối đạt độ kín tuyệt đối dưới áp suất lớn.
Đảm bảo không gian xung quanh đủ rộng để thao tác tay gạt thuận tiện và tiếp cận chốt khóa an toàn một cách dễ dàng.
Trước khi đưa hệ thống vào vận hành, phải sục rửa sạch đường ống để loại bỏ mạt sắt gây trầy xước bề mặt bi inox.
Nên định kỳ kiểm tra lực siết của các bulong thân để đảm bảo van luôn trong tình trạng kín khít hoàn hảo nhất.
Việc tuân thủ đúng quy trình kỹ thuật sẽ giúp van phát huy tối đa tuổi thọ và hiệu quả trong hạ tầng Hệ Van Công Nghiệp.



