Mô tả
Tổng quan sản phẩm
Trong hệ thống kiểm soát lưu chất hạ tầng quy mô lớn, van bướm AUT FIG063 là giải pháp kỹ thuật tiêu chuẩn thuộc phân khúc van hai mặt bích (Double Flanged Butterfly Valve). Với xuất xứ từ Malaysia, sản phẩm được thiết kế để vận hành bền bỉ, giúp đóng ngắt và điều tiết dòng chảy ổn định cho các đường ống có kích cỡ cực lớn.
Sản phẩm nổi bật với cấu trúc thân van hai mặt bích chắc chắn, giúp phân bổ đều lực ép và tăng cường độ ổn định cho hệ thống đường ống khi vận hành dưới áp suất cao. Đây là thiết bị chiến lược cho các nhà máy xử lý nước tập trung, hệ thống thủy lợi và các mạng lưới cấp nước đô thị quy mô lớn hiện nay.
Mặc dù được định vị chuyên sâu trong hệ van công nghiệp, FIG063 đóng vai trò đắc lực trong các hệ thống van PCCC trung tâm. Cơ chế vận hành qua hộp số tay quay giúp ngăn chặn hiện tượng búa nước, bảo vệ an toàn tuyệt đối cho hạ tầng phòng cháy chữa cháy của các khu công nghiệp và tòa nhà cao tầng.
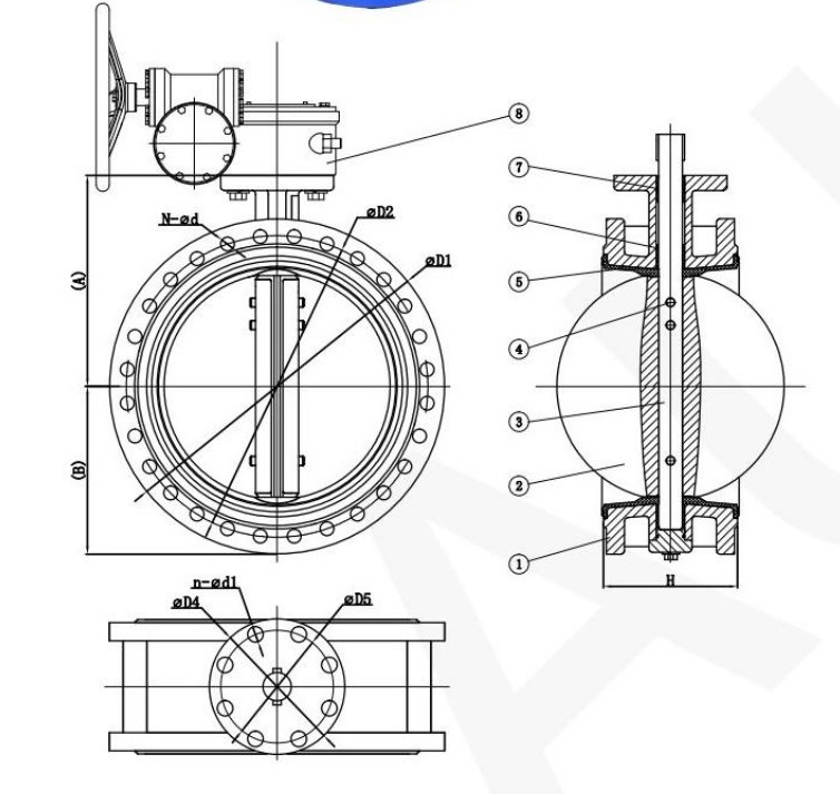
Cấu tạo kỹ thuật
Sản phẩm được chế tác từ các vật liệu chịu lực chuyên dụng, kết hợp với bộ truyền động hộp số bánh răng giúp thao tác đóng mở nhẹ nhàng ngay cả ở những kích thước khổng lồ. Sự kết hợp giữa thân gang cầu và đĩa inox giúp thiết bị duy trì tuổi thọ vượt trội trong môi trường lưu chất biến động.
| Bộ phận | Vật liệu chi tiết |
|---|---|
| Thân van (Body) | Gang cầu (Ductile Iron) |
| Đĩa van (Disc) | Thép không gỉ ASTM A351 CF8 (Inox 304) |
| Trục van (Stem) | Thép không gỉ SS410 |
| Vòng đệm (Seat) | Cao su EPDM chịu đàn hồi và nhiệt độ |
| Bộ điều khiển | Hộp số tay quay (Worm Gear) trợ lực |
| Xuất xứ | Malaysia (AUT Valve) |
Kích cỡ DN400-DN1200
Dòng FIG063 cung cấp dải kích thước đặc biệt lớn từ DN400 đến DN1200, đáp ứng hoàn hảo cho các trục dẫn chính của hạ tầng kỹ thuật. Các thông số kích thước mặt bích và lỗ bu lông được tính toán đồng bộ theo các tiêu chuẩn PN10/PN16 quốc tế.
Thiết bị có chiều dài thân (H) dao động từ 216mm đến 470mm tùy theo kích cỡ, giúp việc lắp đặt và định tâm van trên đường ống trở nên vững chãi. Việc tuân thủ chính xác các tiêu chuẩn thiết kế cho phép van dễ dàng tích hợp thêm các bộ điều khiển tự động khi cần thiết.
Mỗi đơn vị sản phẩm đều trải qua quy trình thử nghiệm áp suất vỏ và áp suất đế nghiêm ngặt (PN16) trước khi xuất xưởng. Điều này cam kết độ kín khít tuyệt đối 100% và an toàn cho hệ thống ngay cả khi vận hành liên tục trong dải nhiệt độ lên đến +110°C.
| Kích cỡ (DN) | Inch | Chiều dài H (mm) | Chiều cao A (mm) |
|---|---|---|---|
| DN400 – DN500 | 16″ – 20″ | 216 – 229 | 370 – 500 |
| DN600 – DN800 | 24″ – 32″ | 267 – 318 | 522 – 630 |
| DN900 – DN1200 | 36″ – 48″ | 330 – 470 | 690 – 925 |
Ứng dụng thực tế
Trong môi trường công nghiệp, AUT FIG063 ứng dụng cực kỳ hiệu quả trong các nhà máy thủy điện, hệ thống làm mát trung tâm và các trục dẫn nước thô. Thiết kế hai mặt bích giúp thiết bị chịu được tải trọng dòng chảy cực lớn mà không gây biến dạng hay rung lắc hệ thống.
Đối với hệ van PCCC, sản phẩm thường xuyên được lắp đặt tại các trạm bơm nước chữa cháy chính của khu đô thị hoặc các khu chế xuất quy mô lớn. Cơ chế tay quay vô lăng giúp nhân viên vận hành kiểm soát lưu lượng nước chữa cháy một cách chính xác và an toàn tuyệt đối.
Bên cạnh đó, van còn được tin dùng trong mạng lưới thoát nước và chống ngập đô thị nhờ khả năng vận hành bền bỉ dưới mọi điều kiện thời tiết. Sự ổn định của vật liệu gang cầu từ nhà sản xuất Malaysia giúp giảm thiểu tối đa chi phí bảo trì và thay thế cho các công trình hạ tầng trọng điểm.
Tiêu chuẩn tin cậy
Mọi dòng van bướm AUT FIG063 sản xuất tại Malaysia đều tuân thủ dây chuyền công nghệ tự động hóa hiện đại, đạt độ chính xác cơ khí cực cao. Quy trình thử nghiệm áp suất nghiêm ngặt đảm bảo van hoạt động ổn định trong dải nhiệt độ từ -10°C đến +110°C.
Sản phẩm đạt các chứng chỉ kết nối mặt bích PN10/PN16, giúp việc đồng bộ hóa với các thiết bị khác trong hệ thống hiện hữu trở nên dễ dàng. Lớp sơn bảo vệ tĩnh điện độ dày lớn giúp chống lại sự ăn mòn điện hóa và các tác động tiêu cực từ môi trường lưu chất.
Lòng van trơn mịn kết hợp cùng đĩa CF8 giúp tối ưu hóa dòng chảy, giảm thiểu hiện tượng sụt áp ngay cả khi vận hành ở quy mô đường ống lớn. Thiết kế chốt định vị bằng thép không gỉ tăng cường tính an toàn, đảm bảo đĩa van không bị lệch tâm trong suốt vòng đời sản phẩm.
- Tiêu chuẩn thiết kế: Tuân thủ nghiêm ngặt quy định van bướm hai mặt bích quốc tế.
- Kiểm soát chất lượng: Thử nghiệm áp suất vỏ đạt 2.4 Mpa và Seal đạt 1.76 Mpa (PN16).
- Vật liệu bền bỉ: Sử dụng đĩa inox CF8 và trục SS410 chuyên dụng chống mài mòn.
Lưu ý lắp đặt
Khi tiến hành lắp đặt van bướm FIG063 kích thước lớn, kỹ thuật viên cần sử dụng thiết bị nâng hạ chuyên dụng để đảm bảo an toàn và không làm hư hại lớp sơn bảo vệ. Việc vệ sinh sạch bề mặt bích và siết bu lông đối xứng là yêu cầu bắt buộc để đảm bảo độ kín khít tuyệt đối.
Nên thực hiện thao tác đóng mở kiểm tra định kỳ cho hộp số tay quay để đảm bảo các bánh răng truyền động luôn trong trạng thái vận hành mượt mà. Việc lắp đặt van ở vị trí có không gian đủ rộng cho vô lăng quay sẽ giúp công tác vận hành hạ tầng van công nghiệp và PCCC trở nên thuận tiện hơn.
Sử dụng van bướm AUT FIG063 chính hãng xuất xứ Malaysia là cam kết cao nhất cho sự bền vững của các dự án hạ tầng lớn. Sản phẩm không chỉ đảm bảo chức năng ngăn dòng mà còn là lá chắn bảo vệ an toàn cho toàn bộ mạng lưới đường ống công nghiệp tại Việt Nam.


