Mô tả
Tổng quan sản phẩm
Trong các hệ thống hạ tầng yêu cầu áp lực vận hành cao, van bướm tay gạt Kitz 16DJUE khẳng định vị thế là giải pháp kiểm soát lưu chất dứt khoát và bền bỉ. Với xuất xứ từ Nhật Bản, sản phẩm được thiết kế để chịu tải áp suất lên đến 16 Bar (PN16), đáp ứng các tiêu chuẩn khắt khe tại các vị trí trục đứng hoặc cụm bơm công suất lớn.
Sản phẩm sở hữu kiểu kết nối dạng kẹp (Wafer) chuẩn JIS 16K, cho phép lắp đặt linh hoạt và tiết kiệm không gian tối đa trên đường ống. Đây là thiết bị then chốt cho các mạng lưới cấp thoát nước công nghiệp, hệ thống xử lý nước thải và các trục dẫn lưu chất yêu cầu sự ổn định tuyệt đối về vật liệu và khả năng làm kín.
Dù là thiết bị chiến lược trong hệ van công nghiệp, Kitz 16DJUE vẫn đáp ứng hoàn hảo các tiêu chuẩn của hệ van PCCC nhờ cơ chế đóng mở nhanh và độ bền vật liệu gang cầu FCD450. Lớp sơn phủ đặc trưng bảo vệ thân van khỏi các tác nhân oxy hóa, đảm bảo tính thẩm mỹ và tuổi thọ lâu dài cho công trình.
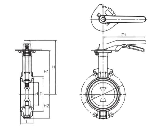
Cấu tạo kỹ thuật
Thân van được đúc từ gang cầu FCD450-10 đạt chuẩn Nhật Bản, mang lại khả năng chịu va đập và áp suất dòng chảy cực tốt. Sự kết hợp giữa đĩa van Inox 304 (CF8) mài bóng và vòng đệm EPDM giúp thiết bị vận hành êm ái, chống lại sự ăn mòn điện hóa và đảm bảo độ kín khít 100% khi đóng hoàn toàn.
| Bộ phận kỹ thuật | Vật liệu chi tiết |
|---|---|
| Thân van (Body) | Gang cầu FCD450-10 (Chịu áp PN16) |
| Đĩa van (Disc) | Thép không gỉ CF8 (Inox 304) |
| Trục van (Stem) | Thép không gỉ 410SS chắc chắn |
| Vòng đệm (Seat) | Cao su EPDM chịu nhiệt và đàn hồi |
| Cơ chế vận hành | Tay gạt (Lever Operated) |
| Xuất xứ | Nhật Bản (Kitz Corporation) |
Kích cỡ DN40-DN150
Dòng van tay gạt 16DJUE cung cấp dải kích thước tiêu chuẩn từ DN40 đến DN150 (1.1/2″ đến 6″), phù hợp cho các nhánh ống dẫn và trục cấp trung nội khu. Cơ chế tay gạt mỏ vịt giúp nhân viên kỹ thuật thao tác đóng mở 90 độ một cách nhanh chóng và dễ dàng xác định trạng thái van.
Điểm khác biệt của dòng 16DJUE là cấu trúc thân van dày dặn hơn, đảm bảo vận hành an toàn ở mức áp suất 1.6 MPa mà không xảy ra hiện tượng mỏi vật liệu. Đối với các yêu cầu kích thước lớn hơn DN150, Kitz cung cấp phiên bản tay quay vô lăng G-16DJUE để đảm bảo momen xoắn vận hành ổn định.
Nhiệt độ làm việc của sản phẩm đạt mức ấn tượng lên đến +120°C, cho phép ứng dụng rộng rãi trong các hệ thống nước nóng trung tâm và Chiller. Quy trình thử nghiệm nghiêm ngặt của Kitz Nhật Bản đảm bảo mỗi sản phẩm xuất xưởng đều đạt độ chính xác cơ khí tuyệt đối, giảm thiểu sai sót khi lắp đặt.
| Kích thước (DN) | Inch (“) | Chiều dài L (mm) | Chiều cao H (mm) |
|---|---|---|---|
| DN40 – DN50 | 1.1/2″ – 2″ | 33 – 43 | 172 – 191 |
| DN65 – DN80 | 2.1/2″ – 3″ | 46 – 46 | 199 – 217 |
| DN100 – DN125 | 4″ – 5″ | 52 – 56 | 227 – 265 |
| DN150 | 6″ | 56 | 280 |
Ứng dụng thực tế
Trong hệ van công nghiệp, Kitz 16DJUE là lựa chọn ưu tiên cho các hệ thống cấp nước áp lực cao, đường ống dẫn lưu chất trong nhà máy chế biến thực phẩm và dược phẩm. Đĩa Inox CF8 đảm bảo vệ sinh và chống ăn mòn hóa học, giữ cho dòng lưu chất luôn đạt độ tinh khiết yêu cầu.
Đối với hệ van PCCC, sản phẩm được tin dùng tại các vị trí trục đứng của tòa nhà cao tầng, nơi áp suất thủy tĩnh lớn yêu cầu van phải chịu được mức PN16. Sự ổn định của Kitz giúp hệ thống luôn sẵn sàng ứng phó sự cố khẩn cấp mà không lo ngại vấn đề kẹt van hay rò rỉ đệm làm kín.
Ngoài ra, van còn được ứng dụng rộng rãi trong các hạ tầng khu chế xuất nhờ thiết kế nhỏ gọn, dễ dàng lắp đặt thay thế giữa hai mặt bích JIS 16K. Sự linh hoạt này giúp doanh nghiệp tối ưu hóa quy trình bảo trì, giảm thiểu thời gian dừng máy và gia tăng hiệu suất kinh tế lâu dài.
Tiêu chuẩn tin cậy
Mọi dòng van bướm Kitz đều tuân thủ dây chuyền sản xuất tự động hóa hiện đại của Nhật Bản, đạt các chứng chỉ quốc tế về quản lý chất lượng. Thân gang cầu FCD450 và đĩa inox 304 là sự cam kết vững chắc cho khả năng chịu tải áp lực và độ bền kéo vượt trội so với các dòng van gang thông thường.
Sản phẩm đạt tiêu chuẩn kết nối Wafer JIS 16K, đồng bộ với các mặt bích tiêu chuẩn kỹ thuật phổ biến tại Việt Nam. Lớp gioăng cao su được đúc liền khối giúp giảm momen xoắn khi vận hành, đồng thời bảo vệ các chi tiết truyền động bên trong khỏi sự mài mòn của dòng lưu chất tốc độ cao.
Lòng van trơn nhẵn giúp tối ưu hóa lưu lượng dòng chảy, giảm thiểu hiện tượng sụt áp và ngăn ngừa mảng bám vi khuẩn lâu ngày. Thiết kế này không chỉ bảo vệ thân van mà còn bảo vệ toàn bộ hệ thống máy bơm và các thiết bị đo lường gắn kèm trên mạng lưới đường ống công nghiệp bền vững.
- Tiêu chuẩn kết nối: Wafer chuẩn JIS 16K dải áp suất PN16.
- Độ kín tuyệt đối: Gioăng EPDM đúc liền thân ngăn rò rỉ 100%.
- Vật liệu cao cấp: Đĩa Inox 304 chống ăn mòn và trục thép 410SS chịu lực.
Lưu ý lắp đặt
Khi lắp đặt van bướm Kitz 16DJUE, kỹ thuật viên cần chú ý vệ sinh sạch mặt bích và định tâm van chính xác trước khi siết bu lông. Việc sử dụng bu lông đối xứng và đúng lực siết sẽ giúp đệm cao su không bị biến dạng cục bộ, đảm bảo van đóng mở mượt mà và kín khít tuyệt đối.
Nên thực hiện kiểm tra định kỳ hành trình đóng mở tay gạt để đảm bảo không bị kẹt bởi tạp chất trong đường ống sau thời gian dài sử dụng. Việc lắp đặt van ở vị trí thoáng, dễ tiếp cận sẽ giúp công tác vận hành và bảo trì hệ thống van công nghiệp trở nên chuyên nghiệp và thuận tiện hơn.
Sử dụng van bướm Kitz 16DJUE chính hãng xuất xứ Nhật Bản là cam kết cao nhất cho sự bền vững của các dự án hạ tầng lớn. Sản phẩm không chỉ đảm bảo chức năng ngăn dòng dứt khoát mà còn là thành phần cốt yếu bảo vệ độ bền vững cho toàn bộ hạ tầng mạng lưới đường ống công nghiệp.



