Mô tả
Tổng quan Ravis R-GG
Van cầu mặt bích gang Ravis ankana R-GG là dòng thiết bị kiểm soát lưu chất cao cấp có xuất xứ từ Đài Loan. Sản phẩm được thiết kế theo tiêu chuẩn DIN, đáp ứng các yêu cầu khắt khai về độ kín và khả năng điều tiết trong Hệ Van Công Nghiệp. Với thân van đúc từ gang GG25, thiết bị đảm bảo sự chắc chắn và bền bỉ trong nhiều môi trường vận hành khác nhau.
Sản phẩm nổi bật với cấu trúc cơ khí chính xác, giúp tối ưu hóa dòng chảy và giảm thiểu tổn thất áp suất khi lưu chất đi qua. Trong Hệ Van Công Nghiệp, model R-GG thường được ứng dụng cho các hệ thống truyền dẫn nước, hơi nóng và các loại chất lỏng không ăn mòn. Đây là giải pháp chốt chặn an toàn, mang lại hiệu quả kinh tế cao cho các dự án hạ tầng kỹ thuật.
Thiết bị sở hữu dải kích thước đa dạng, cho phép lắp đặt linh hoạt vào các hệ thống đường ống từ trung bình đến lớn. Màu xanh đặc trưng của lớp sơn phủ giúp bảo vệ thân gang khỏi các tác động oxy hóa từ môi trường bên ngoài. Ravis ankana R-GG khẳng định chất lượng ổn định, góp phần nâng cao tính tin cậy cho toàn bộ Hệ Van Công Nghiệp.
Cấu tạo kỹ thuật
Model Ravis R-GG được chế tác từ vật liệu gang xám chất lượng cao, kết hợp với các chi tiết nội bộ được gia công tinh xảo. Sự phối hợp giữa thân gang GG25 và hệ thống làm kín tiêu chuẩn giúp van hoạt động ổn định dưới áp suất PN16. Đây là thông số lý tưởng cho các ứng dụng phổ biến trong Hệ Van Công Nghiệp hiện nay.
| Thành phần chi tiết | Vật liệu (Material) | Đặc tính vận hành |
|---|---|---|
| Thân van (Body) | Gang (GG25) | Chịu áp PN16 |
| Nắp van (Bonnet) | Gang tiêu chuẩn | Kết nối chắc chắn |
| Trục & Đĩa van | Hợp kim chống mòn | Điều tiết mượt mà |
| Tay vặn (Handwheel) | Gang/Thép sơn đen | Thao tác dễ dàng |
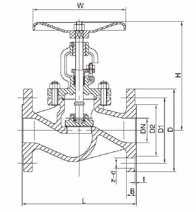
Bảng tra kích thước
Ravis ankana R-GG cung cấp dải kích thước tiêu chuẩn từ DN15 đến DN200, đáp ứng hầu hết các nhu cầu của Hệ Van Công Nghiệp. Việc chuẩn hóa kích thước theo tiêu chuẩn mặt bích DIN giúp van dễ dàng kết nối và thay thế trong các hệ thống hiện hữu. Thông số đường kính mặt bích (D) và tâm lỗ bu lông (D1) được kiểm soát nghiêm ngặt.
Dưới đây là bảng quy đổi kích thước ống thực tế (Phi) tương ứng cho các dải DN của dòng van cầu gang Ravis R-GG trong Hệ Van Công Nghiệp:
| Size (DN) | Lắp ống Phi (mm) | L (mm) | Trọng lượng (kg) |
|---|---|---|---|
| DN15 – DN25 | 21mm – 34mm | 130 – 160 | 3.7 – 5.7 |
| DN32 – DN50 | 42mm – 60mm | 180 – 230 | 8.8 – 14.5 |
| DN65 – DN100 | 76mm – 114mm | 290 – 350 | 20.8 – 35.2 |
| DN125 – DN200 | 140mm – 219mm | 400 – 600 | 57.6 – 130.8 |
Hiệu suất thực tế
Trong vận hành thực tế, Ravis R-GG thể hiện khả năng đóng kín tuyệt đối nhờ cơ chế nén đĩa van xuống ghế van một cách đồng tâm. Thiết bị duy trì áp suất làm việc tối đa 16 Bar ổn định, đảm bảo an toàn cho các đường ống áp lực cao trong Hệ Van Công Nghiệp. Khả năng chịu nhiệt của gang GG25 cũng giúp van thích nghi tốt với các hệ thống hơi nóng.
- Mặt bích thiết kế từ 4 đến 12 lỗ bu lông (tùy size) giúp phân bổ lực ép đều, ngăn ngừa rò rỉ tại khớp nối.
- Trục van được gia công bóng giúp giảm ma sát với bộ đệm, tăng tuổi thọ sử dụng trong Hệ Van Công Nghiệp.
- Thiết kế thân van dạng bầu giúp tối ưu hóa lưu lượng, giảm thiểu hiện tượng xoáy mòn nội bộ.
- Tay vặn (Handwheel) kích thước lớn cung cấp momen xoắn đủ mạnh để đóng mở van nhẹ nhàng.
Sản phẩm khẳng định năng lực vượt trội của thương hiệu Ravis trong phân khúc van gang tại Đài Loan. Khả năng chịu tải và tính ổn định cơ khí giúp doanh nghiệp giảm thiểu chi phí bảo trì định kỳ. Ravis R-GG là một trong những giải pháp kinh tế hiệu quả nhất cho các hệ thống đường ống trong Hệ Van Công Nghiệp.
Kỹ thuật lắp đặt
Khi thi công van cầu Ravis R-GG, cần chú ý hướng dòng chảy phải đi theo mũi tên chỉ dẫn trên thân van để đạt hiệu suất tối ưu. Việc lắp ngược hướng sẽ làm tăng lực cản và có thể gây hư hỏng đĩa van khi vận hành ở áp suất cao. Trong Hệ Van Công Nghiệp, việc tuân thủ quy trình lắp đặt là điều kiện tiên quyết để van bền bỉ.
Bề mặt mặt bích ống dẫn cần được làm sạch và sử dụng gioăng đệm phù hợp với môi trường lưu chất (như gioăng cao su cho nước hoặc gioăng chì cho hơi). Siết bu lông mặt bích theo hình đối xứng để lực ép được phân bổ đồng đều, tránh gây nứt vỡ tai bích gang. Đây là kỹ năng lắp đặt cơ bản nhưng cực kỳ quan trọng cho Hệ Van Công Nghiệp.
Định kỳ kiểm tra bộ phận nén cổ trục và tra dầu mỡ vào trục van để đảm bảo thao tác đóng mở luôn trơn tru. Đối với các hệ thống tạm dừng lâu ngày, nên thực hiện thao tác đóng mở van vài lần để tránh tình trạng kẹt do cặn bẩn tích tụ. Sự chăm sóc định kỳ giúp van luôn sẵn sàng phục vụ trong Hệ Van Công Nghiệp.
Phạm vi ứng dụng
Van cầu gang Ravis R-GG được ứng dụng rộng rãi trong các trạm bơm cấp nước đô thị, hệ thống PCCC và các nhà máy sản xuất công nghiệp. Sản phẩm cũng là lựa chọn phổ biến cho các lò hơi công suất nhỏ và trung bình nhờ khả năng chịu nhiệt ổn định của gang. Thiết bị đóng vai trò chủ chốt trong việc kiểm soát lưu chất của Hệ Van Công Nghiệp.
Tại các hệ thống điều hòa trung tâm (Chiller), model R-GG giúp điều tiết lưu lượng nước lạnh một cách chính xác đến các AHU và FCU. Khả năng tương thích tốt với tiêu chuẩn DIN giúp van dễ dàng kết nối trong các dự án có vốn đầu tư nước ngoài. Hệ Van Công Nghiệp luôn tin dùng Ravis ankana R-GG vì sự ổn định và hiệu quả mà nó mang lại.


