Mô tả
Tổng quan
Y lọc gang Arita ARF-805FE(J) là dòng thiết bị lọc rác chuyên dụng đến từ Malaysia, được thiết kế để bảo vệ các thiết bị trên đường ống khỏi sự xâm nhập của tạp chất rắn.
Sản phẩm nổi bật với cấu tạo thân gang đúc chắc chắn và kết nối mặt bích tiêu chuẩn JIS10K, mang lại sự ổn định tuyệt vời cho các hệ thống đường ống kích thước lớn.
Với khả năng lọc sạch cặn bẩn hiệu quả, ARF-805FE(J) giúp giảm thiểu tình trạng tắc nghẽn, đảm bảo hiệu suất vận hành liên tục cho hệ thống bơm, van và đồng hồ đo lưu lượng.
Đây là giải pháp kinh tế nhưng vô cùng hiệu quả cho các hệ thống công nghiệp nhờ sự bền bỉ của vật liệu gang và quy trình kiểm soát chất lượng khắt khe theo tiêu chuẩn JIS B2003.
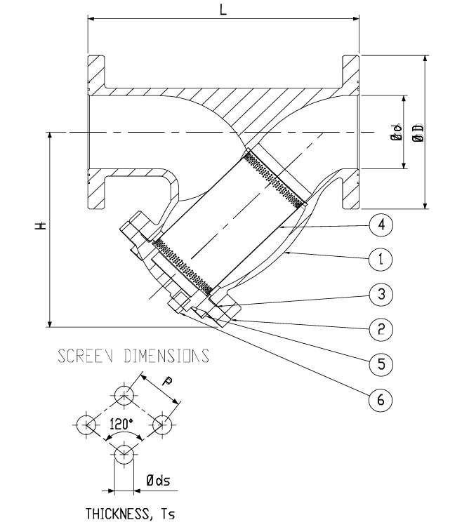
Cấu tạo kỹ thuật
Y lọc gang Arita được cấu thành từ các vật liệu có độ bền cơ học cao, giúp thiết bị chịu được các rung động mạnh và tác động từ môi trường làm việc khắc nghiệt.
Thân và nắp van được làm từ gang (Cast Iron), kết hợp với lưới lọc thép không gỉ giúp tối ưu hóa khả năng chống ăn mòn và đảm bảo tuổi thọ lâu dài cho thiết bị.
| Số | Bộ phận | Vật liệu chi tiết | Số lượng |
|---|---|---|---|
| 1 | Thân van (Body) | Gang (Cast Iron) | 01 |
| 2 | Nắp van (Cap) | Gang (Cast Iron) | 01 |
| 3 | Gioăng (Gasket) | Tấm không Amiang (Non-Asbestos Sheet) | 01 |
| 4 | Lưới lọc (Screen) | Thép không gỉ (Stainless Steel) | 01 |
| 5 | Bu lông nắp (Cap Bolt) | Thép mềm (Mild Steel) | 4 ~ 12 |
Đặc biệt, thiết bị còn được trang bị nút xả (Plug) bằng thép mềm bên dưới nắp lọc, giúp việc xả cặn tích tụ trở nên nhanh chóng mà không cần tháo rời toàn bộ nắp van.
Hệ thống nắp lọc được cố định bằng nhiều bu lông tùy theo kích cỡ van, đảm bảo độ kín khít tuyệt đối và an toàn khi vận hành dưới áp lực dòng chảy lớn.
Dải kích thước
Model ARF-805FE(J) sở hữu dải kích thước cực kỳ rộng, đáp ứng từ các đường ống nhánh trung bình đến các trục đường ống chính trong các tổ hợp công nghiệp nặng.
Mặt bích được thiết kế theo tiêu chuẩn JIS B2210, giúp thiết bị dễ dàng lắp đặt đồng bộ với các loại van bích và phụ kiện khác trong hệ thống.
- Kích thước phổ thông: Từ DN40 (1-1/2″) đến DN100 (4″) với chiều dài L từ 193mm đến 355mm.
- Kích thước tầm trung: Từ DN125 (5″) đến DN200 (8″) với chiều cao H lên đến 400mm.
- Kích thước cực lớn: Từ DN250 (10″) đến DN400 (16″), đáp ứng lưu lượng vận chuyển chất lỏng khổng lồ.
- Độ dày lưới lọc (Ts) tăng dần từ 0.5mm đến 0.8mm tương ứng với kích thước van để đảm bảo độ cứng cáp.
Hiệu suất thực tế
Thiết bị được thiết kế để vận hành trong dải áp suất tiêu chuẩn của hệ thống JIS10K, với áp suất danh định (Nominal Pressure) đạt mức 14 kgf/cm².
Để đảm bảo an toàn vận hành, thân van đã vượt qua bài kiểm tra áp suất thử vỏ (Shell Test Pressure) lên đến 21 kgf/cm² trước khi xuất xưởng.
Dải nhiệt độ làm việc của van dao động từ -20°C đến 120°C, phù hợp cho đa số các ứng dụng truyền dẫn chất lỏng thông thường trong nhà máy.
Lưới lọc thép không gỉ có đường kính lỗ (ds) từ 1.5mm đến 5mm tùy kích cỡ, giúp cân bằng giữa khả năng lọc bụi mịn và việc duy trì lưu lượng dòng chảy ổn định.
Kỹ thuật lắp đặt
Y lọc gang Arita thường được lắp đặt trên các đoạn ống nằm ngang hoặc thẳng đứng (dòng chảy từ trên xuống) để tận dụng trọng lực giúp cặn bẩn rơi vào bầu lọc.
Khi thực hiện kết nối mặt bích, cần sử dụng gioăng đệm phù hợp và siết bu lông đối xứng để tránh hiện tượng lệch tâm hoặc gây ứng suất dư lên thân gang.
Nên lắp đặt thiết bị tại vị trí dễ tiếp cận để thuận tiện cho việc tháo nút xả (Plug) hoặc mở nắp cap kiểm tra tình trạng lưới lọc định kỳ.
Trong quá trình bảo trì, chỉ cần tháo bu lông nắp để lấy lưới lọc ra vệ sinh bằng vòi xịt áp lực cao, giúp khôi phục hiệu suất lọc như mới mà không tốn nhiều công sức.
Phạm vi ứng dụng
Với cấu tạo thân gang bền bỉ, ARF-805FE(J) là lựa chọn ưu tiên cho các môi trường W.O.G (Nước, Dầu, Khí) và các hệ thống hơi nước (Steam) áp suất trung bình.
Sản phẩm được ứng dụng rộng rãi trong hệ thống cấp thoát nước đô thị, hệ thống phòng cháy chữa cháy (PCCC) và các đường ống dẫn nước làm mát trong nhà máy nhiệt điện.
Trong các hệ thống xử lý nước thải, Y lọc đóng vai trò then chốt trong việc loại bỏ các vật thể lạ cứng, bảo vệ cánh máy bơm khỏi nguy cơ hư hỏng nghiêm trọng.
Ngoài ra, thiết bị còn được tin dùng trong ngành dệt may, giấy và các hệ thống HVAC tại các tòa nhà cao tầng nhờ khả năng vận hành ổn định và chi phí đầu tư hợp lý.


