Mô tả
Tổng quan
Y lọc gang Arita DI-YS-PN16 (Ductile Iron Y-Strainer) là giải pháp lọc rác hàng đầu đến từ thương hiệu Arita – Malaysia. Thiết bị đóng vai trò là “người gác cổng” bảo vệ các linh kiện đắt tiền như máy bơm, van điều khiển và đồng hồ đo lưu lượng.
Sản phẩm được chế tạo từ gang cầu cao cấp, cho khả năng chịu va đập và áp lực vượt trội so với các dòng gang xám thông thường. Với lớp phủ Epoxy chống ăn mòn bên ngoài, thiết bị đáp ứng tốt các tiêu chuẩn khắt khe trong môi trường công nghiệp khắc nghiệt.
Sự xuất hiện của Y lọc Arita trong hệ thống không chỉ giúp giảm thiểu rủi ro hư hỏng cơ khí mà còn tối ưu hóa chi phí vận hành lâu dài. Đây là lựa chọn ưu tiên cho các tổng thầu xây dựng và đơn vị quản lý hạ tầng nước tại Việt Nam.
Cấu tạo kỹ thuật
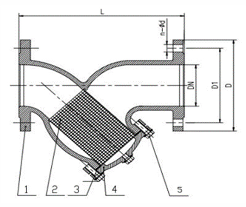
Cấu tạo của model DI-YS-PN16 là sự kết hợp giữa tính bền bỉ của gang cầu và khả năng chống oxy hóa của thép không gỉ. Thân van được thiết kế dày dặn theo tiêu chuẩn DIN3202-F1, đảm bảo không bị biến dạng dưới áp suất cao.
Bộ phận quan trọng nhất là lưới lọc (Screen) làm từ Inox 304 (SS304), giúp chống lại sự ăn mòn của hóa chất nhẹ và các tạp chất trong nước. Nắp van (Bonnet) có thể tháo rời linh hoạt để vệ sinh lưới lọc mà không cần tháo toàn bộ thân van khỏi đường ống.
| STT | Tên bộ phận | Vật liệu chi tiết |
|---|---|---|
| 1 | Thân van (Body) | Gang cầu (Ductile Iron) |
| 2 | Lưới lọc (Screen) | Thép không gỉ SS304 |
| 3 | Gioăng làm kín (Gasket) | Cao su (Rubber) |
| 4 | Nắp đậy (Bonnet) | Gang cầu (Ductile Iron) |
| 5 | Bulong nắp (Bolt) | Thép Carbon (Carbon Steel) |
Dải kích thước
Dòng sản phẩm DI-YS-PN16 sở hữu dải kích thước cực rộng, đáp ứng từ các đường ống nhánh nhỏ DN50 đến các đường ống trục chính DN500. Kích thước mặt bích tuân thủ tiêu chuẩn BS4504 PN16, giúp việc thay thế và lắp đặt trở nên đồng bộ.
Thông số kích thước hình học đóng vai trò quyết định đến không gian lắp đặt. Ví dụ, model DN50 có chiều dài (L) 230mm, trong khi model lớn nhất DN500 có chiều dài lên tới 1250mm với trọng lượng đáng kể.
Đường kính lỗ lưới lọc được thiết kế tăng dần theo kích cỡ DN để cân bằng giữa hiệu suất lọc rác và áp suất tổn hao qua van. Điều này đảm bảo hệ thống không bị sụt áp quá mức khi đi qua thiết bị lọc.
- Phân khúc nhỏ (DN50 – DN100): Chiều dài L từ 230 – 350mm, lỗ lưới 2mm.
- Phân khúc trung bình (DN125 – DN150): Chiều dài L từ 400 – 480mm, lỗ lưới 3mm.
- Phân khúc lớn (DN200 – DN500): Chiều dài L từ 600 – 1250mm, lỗ lưới 4mm.
Hiệu suất thực tế
Trong vận hành công nghiệp, hiệu suất của Y lọc Arita được minh chứng qua các con số thử nghiệm khắt khe. Áp suất làm việc định danh (Nominal Pressure) đạt 1.6 MPa, đảm bảo an toàn tuyệt đối cho các hệ thống nước áp lực cao.
Theo tiêu chuẩn ISO 5208, mỗi sản phẩm trước khi xuất xưởng đều phải trải qua bài kiểm tra áp lực vỏ (Shell test) ở mức 2.4 MPa. Điều này đảm bảo thân gang không có các lỗ mọt hay vết nứt ngầm, ngăn ngừa rủi ro nổ vỡ đường ống.
Khả năng chịu nhiệt tối đa 80°C cho phép thiết bị hoạt động tốt trong cả hệ thống nước lạnh và hệ thống nước nóng trung tâm (HVAC). Lưới lọc SS304 giúp duy trì độ tinh khiết của dòng chảy, không để lại rỉ sét gây bẩn nguồn nước.
Kỹ thuật lắp đặt
Lắp đặt Y lọc gang đúng kỹ thuật là yếu tố then chốt để kéo dài tuổi thọ thiết bị. Van phải được lắp sao cho bầu lọc hướng xuống dưới, giúp trọng lực hỗ trợ việc thu gom rác thải vào phần đáy của lưới lọc.
Trước khi lắp, kỹ thuật viên cần kiểm tra kỹ thông số mặt bích (D, D1, n-Ød) để đảm bảo khớp với mặt bích của đường ống. Việc sử dụng bulong thép Carbon chất lượng cao sẽ giúp cố định chắc chắn nắp bonnet, tránh rò rỉ dưới áp lực 1.76 MPa.
Khoảng cách lắp đặt cần tính toán đủ không gian để tháo lưới lọc. Đối với các size lớn như DN300 – DN500, cần trang bị thêm các gối đỡ hoặc giá treo để giảm tải trọng cơ học lên các mối nối mặt bích, tránh tình trạng vênh gioăng.
Phạm vi ứng dụng
Y lọc gang Arita DI-YS-PN16 là thành phần không thể thiếu trong hệ thống PCCC của các tòa nhà cao tầng và nhà máy sản xuất. Nó bảo vệ các đầu phun sprinkler không bị tắc nghẽn bởi cặn bẩn khi có sự cố hỏa hoạn xảy ra.
Trong ngành xử lý nước sạch, thiết bị này được lắp đặt trước các trạm bơm để loại bỏ sỏi đá, bảo vệ cánh quạt máy bơm khỏi bị mài mòn. Khả năng làm việc liên tục với lưu chất là nước giúp sản phẩm bền bỉ theo thời gian.
Ngoài ra, với dải DN lớn, sản phẩm còn ứng dụng trong các nhà máy nhiệt điện, hệ thống làm mát trung tâm và các dây chuyền sản xuất giấy. Sự đa dạng về kích thước và tiêu chuẩn PN16 giúp Arita trở thành thương hiệu quốc dân trong ngành van công nghiệp.
Kết luận, đầu tư vào Y lọc Arita DI-YS-PN16 là sự đầu tư cho tính an toàn và bền vững. Với xuất xứ rõ ràng từ Malaysia và chất lượng kiểm định quốc tế, sản phẩm chắc chắn sẽ làm hài lòng những chủ đầu tư khó tính nhất.


