Mô tả
Tổng quan Y lọc gang ARV Model YST
Y lọc gang ARV Model YST là thiết bị lọc rác chuyên dụng cho các hệ thống đường ống công nghiệp có quy mô lớn. Được sản xuất bởi thương hiệu ARV với tiêu chuẩn kỹ thuật khắt khe, sản phẩm đóng vai trò quan trọng trong việc tách bụi bẩn, cặn bã và các vật thể lạ khỏi dòng chất lỏng như nước lạnh, nước nóng, nước quá nhiệt và hơi nước.
Với cấu trúc thân bằng gang cầu (Ductile Iron GGG50), Y lọc ARV sở hữu độ bền cơ học vượt trội, khả năng chịu va đập và áp lực cao hơn hẳn các dòng gang xám thông thường. Thiết bị này được thiết kế để bảo vệ an toàn tuyệt đối cho các thiết bị đắt tiền trong hệ thống như máy bơm công suất lớn, đồng hồ đo nước chính xác và các loại van kiểm tra tự động.
Đặc điểm nổi bật của Model YST chính là lớp sơn phủ Epoxy tĩnh điện màu đỏ đặc trưng, giúp chống lại sự ăn mòn của môi trường và tác động của thời tiết. Đây là giải pháp tối ưu cho các hệ thống phòng cháy chữa cháy (PCCC), hệ thống cấp thoát nước đô thị và các dây chuyền sản xuất công nghiệp nặng tại Việt Nam.
Cấu tạo kỹ thuật
Y lọc gang ARV được cấu tạo từ những vật liệu cao cấp, đảm bảo khả năng vận hành liên tục trong môi trường khắc nghiệt mà không gây ra hiện tượng rò rỉ hay hỏng hóc vật lý. Sự kết hợp giữa gang cầu và thép không gỉ giúp thiết bị duy trì tuổi thọ lên đến hàng chục năm trong các công trình hạ tầng trọng điểm.
- Thân và Nắp (Body/Bonnet): Gang cầu (Ductile Iron GGG50) có khả năng chịu lực kéo và độ dẻo cao, giúp chịu được áp suất PN16 ổn định.
- Bộ lọc (Filter): Thép không gỉ (AISI 304) với lỗ lưới được tính toán kỹ thuật để lọc sạch tạp chất mà không gây tổn thất áp suất đáng kể.
- Gioăng làm kín (Gasket): Cao su EPDM (Natural Rubber) có độ đàn hồi tốt, chịu được nhiệt độ làm việc lên đến 80°C.
- Phụ kiện (Bolt/Drain Plug): Bulong và núm xả bằng Inox SS304 chống gỉ sét, hỗ trợ việc tháo lắp và vệ sinh định kỳ dễ dàng.
Bên cạnh đó, kiểu kết nối mặt bích (Flanged) theo các tiêu chuẩn quốc tế giúp việc lắp đặt vào hệ thống trở nên chắc chắn và kín khít tuyệt đối. Lớp sơn Epoxy không chỉ bảo vệ bề mặt gang mà còn ngăn chặn sự hình thành của rong rêu và các tác nhân gây ăn mòn điện hóa từ môi trường lưu chất.
Dải kích thước và Quy đổi thực tế
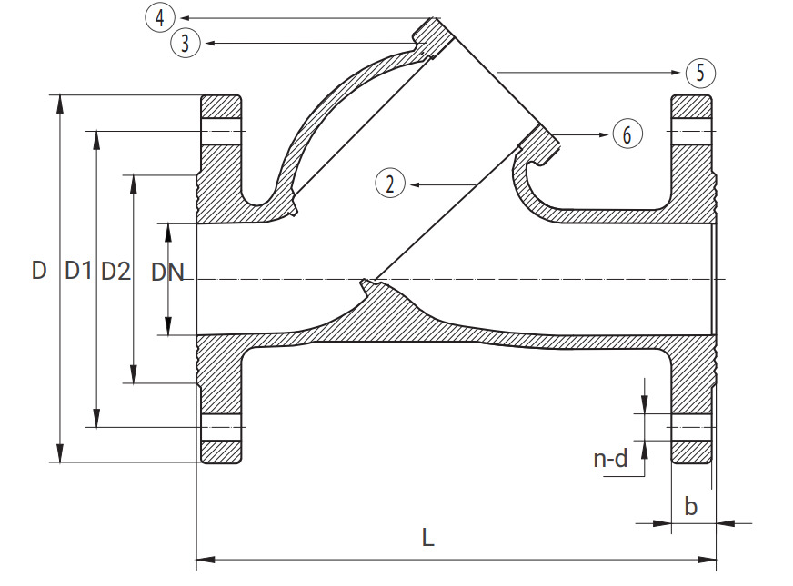
Y lọc gang ARV YST sở hữu dải kích thước cực kỳ rộng, từ các đường ống nhánh trung bình cho đến các trục đường ống chính của nhà máy. Việc hiểu rõ sự quy đổi giữa kích thước danh định (DN), hệ Inch và đường kính ngoài hệ Phi (mm) là yếu tố then chốt để các kỹ sư lựa chọn đúng mã sản phẩm cho dự án.
Dưới đây là bảng thông số kích thước chi tiết được trích xuất trực tiếp từ catalogue ARV để phục vụ công tác thiết kế và thi công đường ống:
| Size (Inch) | DN (mm) | Quy đổi Phi (mm) | Chiều dài L (mm) | Số lỗ Bulong (n-d) |
|---|---|---|---|---|
| 2″ | 50 | Phi 60 | 187 | 4-19 |
| 2 1/2″ | 65 | Phi 75/76 | 222.5 | 4-19 |
| 3″ | 80 | Phi 90 | 252.5 | 8-19 |
| 4″ | 100 | Phi 114 | 302.5 | 8-19 |
| 5″ | 125 | Phi 140/141 | 335.5 | 8-19 |
| 6″ | 150 | Phi 168 | 371.5 | 8-23 |
| 8″ | 200 | Phi 219 | 471.5 | 12-23 |
| 10″ | 250 | Phi 273 | 548.5 | 12-28 |
| 12″ | 300 | Phi 325 | 653.5 | 12-28 |
Với những kích thước lớn lên đến DN400 (16″), Y lọc ARV đáp ứng hoàn hảo cho các trạm bơm tăng áp hoặc các trục cấp nước tổng của khu dân cư. Thông số chiều dài L lớn giúp tăng diện tích bề mặt lưới lọc, từ đó kéo dài thời gian giữa các lần bảo trì vệ sinh mà vẫn đảm bảo lưu lượng dòng chảy đạt mức tối ưu.
Hiệu suất thực tế
Trong vận hành công nghiệp, Y lọc gang ARV Model YST thể hiện hiệu suất đáng kinh ngạc với áp suất tiêu chuẩn PN16 (tương đương 230 psi). Khả năng chịu nhiệt độ lên đến 80°C cho phép thiết bị hoạt động ổn định trong các hệ thống giải nhiệt công nghiệp hoặc các đường ống dẫn nước nóng trung tâm mà không làm biến dạng gioăng hay lưới lọc.
Lưới lọc AISI 304 bên trong được thiết kế theo dạng hình trụ vát chéo, giúp tối ưu hóa diện tích tiếp xúc với dòng chảy. Điều này giúp giảm thiểu hiện tượng xoáy nước và tiếng ồn khi lưu chất đi qua thiết bị ở tốc độ cao. Hiệu quả lọc sạch các hạt rắn kích thước nhỏ giúp ngăn chặn tình trạng kẹt cánh bơm hoặc tắc nghẽn các vòi phun trong hệ thống làm mát.
Sản phẩm còn được đánh giá cao ở khả năng bảo trì “nóng”. Nhờ thiết kế núm xả (Drain Plug) thông minh bên dưới nắp bầu lọc, người vận hành có thể xả bỏ một phần cặn lắng ngay lập tức mà chưa cần phải tháo rời nắp van. Điều này giúp hệ thống duy trì hoạt động liên tục, giảm thiểu thời gian chết (downtime) của dây chuyền sản xuất.
Kỹ thuật lắp đặt
Việc lắp đặt Y lọc gang ARV cần tuân thủ đúng các nguyên tắc cơ học để đảm bảo rác được thu gom hiệu quả nhất. Thiết bị thường được lắp ở phía đầu vào (inlet) của các thiết bị nhạy cảm. Mũi tên đúc nổi trên thân van chỉ hướng dòng chảy là chỉ dẫn bắt buộc phải tuân theo để đảm bảo lưu chất đi xuyên qua lưới lọc từ trong ra ngoài hoặc ngược lại theo đúng thiết kế.
Khoảng trống cần thiết dưới bầu lọc phải được tính toán đủ để có thể tháo nắp và lấy lưới lọc ra vệ sinh. Khi lắp đặt mặt bích, cần siết bulong đối xứng để lực ép lên gioăng cao su EPDM được đều, tránh tình trạng rò rỉ nước tại điểm nối. Việc sử dụng đệm lót mặt bích chất lượng cao đi kèm sẽ giúp tăng cường độ kín khít cho hệ thống dưới áp lực 16 bar.
Đối với các hệ thống lắp đứng, dòng chảy phải đi từ trên xuống dưới để tận dụng trọng lực giúp cặn bẩn rơi xuống bầu lọc. Nếu lắp ngang, bầu lọc phải hướng xuống mặt đất. Việc lắp ngược bầu lọc lên trên sẽ khiến rác rơi ngược vào đường ống khi mở nắp vệ sinh, làm mất hoàn toàn tác dụng bảo vệ của thiết bị đối với hệ thống máy móc phía sau.
Phạm vi ứng dụng
Y lọc gang ARV Model YST là thành phần không thể thiếu trong các công trình hạ tầng nước và PCCC tại Việt Nam. Độ bền của gang cầu GGG50 và lớp sơn Epoxy đỏ giúp sản phẩm trở thành lựa chọn ưu tiên cho các hệ thống vách tường, hệ thống phun nước tự động trong các tòa nhà cao tầng, trung tâm thương mại và kho bãi công nghiệp.
Bên cạnh đó, sản phẩm còn ứng dụng rộng rãi trong các lĩnh vực khác như:
- Hệ thống xử lý nước thải tập trung tại các khu công nghiệp và nhà máy chế biến.
- Đường ống dẫn nước làm mát cho các tổ máy phát điện và động cơ cỡ lớn.
- Ngành công nghiệp đóng tàu và các hệ thống cấp nước biển đã qua xử lý.
- Hệ thống tưới tiêu nông nghiệp công nghệ cao đòi hỏi nguồn nước sạch tuyệt đối để không làm tắc béc phun.
Với xuất xứ Việt Nam và chất lượng đạt chuẩn ARV toàn cầu, Model YST mang lại sự an tâm về nguồn hàng dồi dào, linh kiện thay thế sẵn có và giá thành cạnh tranh. Đây chính là mảnh ghép hoàn hảo để xây dựng một hệ thống đường ống bền vững, an toàn và đạt hiệu suất cao cho mọi doanh nghiệp.


