Mô tả
Tổng quan
Van an toàn gang lò xo AUT FIG08 là dòng thiết bị thủy lực cao cấp từ Malaysia, thực hiện chức năng xả áp và duy trì áp suất hệ thống. Đây là giải pháp bảo vệ cốt lõi cho các mạng lưới đường ống công nghiệp, ngăn chặn tình trạng quá áp gây hư hỏng thiết bị và vỡ ống.
Sản phẩm vận hành tự động dựa trên áp lực dòng chảy, sử dụng cụm Pilot điều khiển chính xác mà không cần nguồn điện. Với thân bằng gang cầu bền bỉ, model FIG08 của thương hiệu AUT đã trở thành tiêu chuẩn vàng trong các hệ thống cấp nước và phòng cháy chữa cháy hiện nay.
Thiết kế dạng lò xo kết hợp màng ngăn giúp van phản ứng nhanh nhạy với sự thay đổi áp suất đột ngột. Điều này đảm bảo hệ thống luôn vận hành trong ngưỡng an toàn, tối ưu hóa chi phí bảo trì và nâng cao tuổi thọ cho toàn bộ hạ tầng kỹ thuật của công trình.
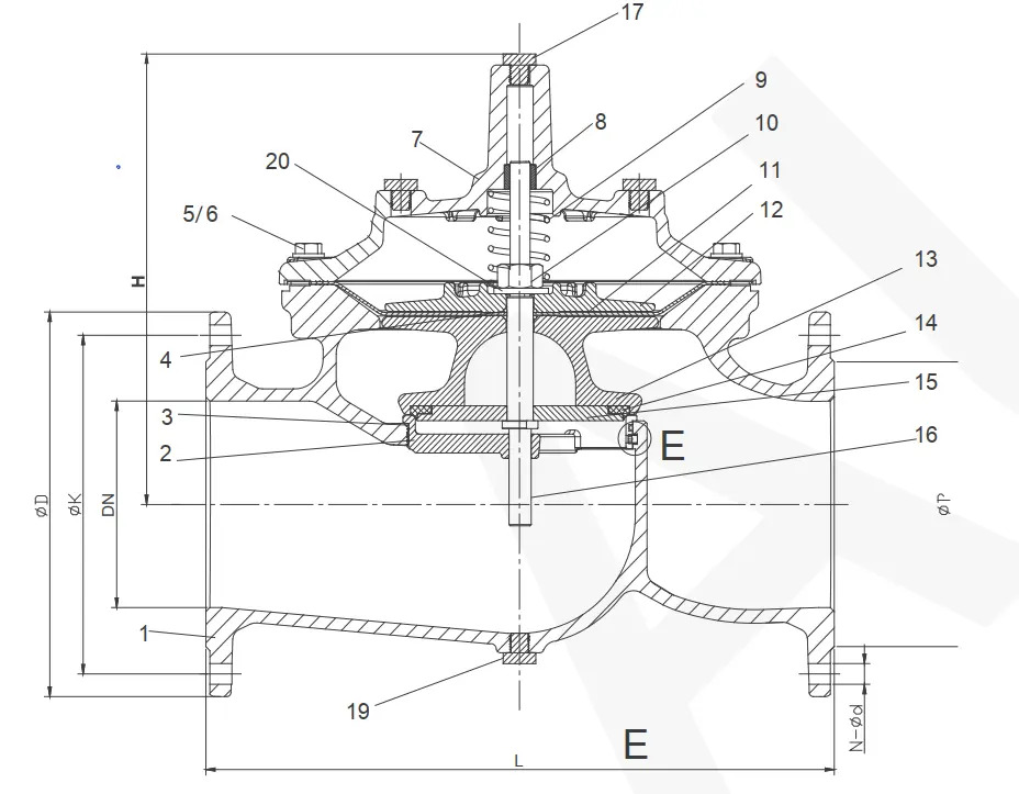
Cấu tạo kỹ thuật
Van được cấu tạo từ các vật liệu chịu lực cao, phù hợp với môi trường nước công nghiệp khắc nghiệt. Thân và nắp van làm từ gang cầu (Ductile Iron), cung cấp khả năng chịu áp suất vượt trội và chống va đập tốt hơn so với các dòng gang xám truyền thống.
Các chi tiết truyền động bên trong như trục van, ghế van và lò xo điều khiển đều được chế tác từ thép không gỉ (Stainless Steel). Sự kết hợp này ngăn chặn hoàn toàn tình trạng ăn mòn, đảm bảo cơ chế đóng mở luôn trơn tru sau thời gian dài tiếp xúc với lưu chất.
| Bộ phận | Vật liệu chi tiết | Đặc tính kỹ thuật |
|---|---|---|
| Thân & Nắp | Gang cầu (Ductile Iron) | Chịu áp PN10/PN16 |
| Trục & Ghế | Thép không gỉ (SS304) | Chống mài mòn cao |
| Màng ngăn | Cao su NBR | Đàn hồi, kín khít |
| Sơn phủ | Epoxy Resin | Độ dày >250 micron |
Màng van (Diaphragm) bằng cao su NBR gia cường lớp vải chịu lực, cho phép co giãn linh hoạt theo điều tiết của Pilot. Toàn bộ thân van được sơn phủ Epoxy tĩnh điện màu xanh đặc trưng, bảo vệ thiết bị khỏi các tác nhân oxy hóa từ môi trường lắp đặt ẩm thấp.
Dải kích thước
Dòng van AUT FIG08 cung cấp dải kích thước rộng từ DN50 đến DN450, tương ứng với các tiêu chuẩn ống phi (mm) phổ biến trong công nghiệp. Việc lựa chọn đúng kích cỡ DN phù hợp với đường kính ngoài của ống là yếu tố then chốt để đảm bảo lưu lượng xả áp tối ưu.
Đối với các hệ thống nhỏ và trung bình, van từ DN50 (ống phi 60mm) đến DN100 (ống phi 114mm) thường được dùng cho các nhánh phụ. Các kích cỡ lớn từ DN200 (ống phi 219mm) trở lên được lắp đặt cho các trục đường ống chính dẫn nước trong các khu công nghiệp.
| Kích thước DN | Tương đương phi (mm) | Ứng dụng đường ống |
|---|---|---|
| DN50 | Phi 60 | Ống nhánh, hệ thống bơm nhỏ |
| DN65 | Phi 76 | Nhánh phân phối tầng tòa nhà |
| DN80 | Phi 90 | Hệ thống PCCC cục bộ |
| DN100 | Phi 114 | Trạm bơm tăng áp trung bình |
| DN125 | Phi 140 | Đường ống dẫn nước sạch nội khu |
| DN150 | Phi 168 | Trục đứng PCCC chung cư |
| DN200 | Phi 219 | Trục chính cấp nước đô thị |
| DN250 | Phi 273 | Hệ thống xử lý nước thải lớn |
| DN300 | Phi 323 | Mạng lưới cấp nước khu công nghiệp |
| DN450 | Phi 457 | Đường ống thủy lợi, truyền tải chính |
Chiều dài lắp đặt (Face to face) của van tuân thủ tiêu chuẩn ANSI B16.10, giúp đồng bộ hóa với mọi loại mặt bích BS hay DIN trên thị trường. Người dùng cần lưu ý thông số phi của ống để chọn bulong và gioăng đệm mặt bích tương ứng, tránh sai lệch khi thi công thực tế.
Hiệu suất thực tế
Van vận hành ổn định trong dải áp suất làm việc định mức 1.0MPa hoặc 1.6MPa tùy theo phiên bản lựa chọn. Hiệu suất thực tế được chứng minh qua khả năng duy trì áp suất đầu ra ổn định, ngay cả khi áp suất đầu vào biến thiên mạnh hoặc lưu lượng dòng chảy thay đổi đột ngột.
Dải điều chỉnh của cụm Pilot rất linh hoạt, cho phép kỹ thuật viên thiết lập ngưỡng xả áp từ 0.09MPa đến 1.6MPa. Độ nhạy của lò xo thép không gỉ giúp van mở nhanh khi quá áp và đóng kín hoàn toàn khi áp suất trở lại mức an toàn, giảm thiểu tổn thất lưu chất.
- Nhiệt độ làm việc: 0°C đến 70°C, lý tưởng cho hệ thống nước lạnh và nước sinh hoạt.
- Kiểm tra áp vỏ: Đạt 2.4MPa đối với dòng PN16, đảm bảo không biến dạng dưới áp lực cao.
- Kiểm tra độ kín: Đạt 1.76MPa, ngăn chặn rò rỉ tại ghế van và trục van tuyệt đối.
Nhờ lớp sơn Epoxy dày 250 micron, van có khả năng vận hành bền bỉ trong môi trường độ ẩm cao hoặc lắp đặt ngoài trời. Sản phẩm ít bị kẹt do cặn bẩn nhờ thiết kế lòng van thông thoáng, giảm tối đa lực cản dòng chảy và hiện tượng sụt áp không mong muốn.
Kỹ thuật lắp đặt
Lắp đặt van an toàn AUT FIG08 yêu cầu độ chính xác cao về hướng dòng chảy và vị trí đặt Pilot. Trước khi lắp, cần đảm bảo mũi tên đúc nổi trên thân van trùng với chiều lưu thông của nước, nếu lắp ngược van sẽ mất hoàn toàn chức năng điều tiết và xả áp.
Vị trí lắp đặt nên ưu tiên ở những đoạn ống thẳng, cách xa các đoạn cua co hoặc van bướm để tránh hiện tượng dòng xoáy gây nhiễu tín hiệu cho Pilot. Cần lắp thêm một van cổng phía trước và phía sau để thuận tiện cho việc tháo rời bảo trì hoặc thay thế màng van định kỳ.
Khi điều chỉnh áp suất, cần xoay vít chỉnh trên Pilot từng vòng nhỏ và theo dõi đồng hồ áp suất lắp kèm. Tránh siết quá chặt lò xo vượt ngưỡng thiết kế, điều này có thể làm giảm độ nhạy của van hoặc gây bó cứng cơ cấu truyền động bên trong trong tình huống khẩn cấp.
Phạm vi ứng dụng
Van AUT FIG08 là lựa chọn hàng đầu cho hệ thống PCCC của các tòa nhà cao tầng, nơi áp lực nước trong đường ống trục đứng thường rất lớn. Van giúp giải phóng áp lực dư thừa khi bơm chữa cháy khởi động, bảo vệ các đầu phun và thiết bị đầu cuối khỏi tình trạng nổ ống.
Trong các nhà máy sản xuất và khu chế xuất, van được dùng để bảo vệ các bồn chứa và hệ thống làm mát bằng nước. Khả năng vận hành không cần điện giúp thiết bị trở thành chốt chặn an toàn cuối cùng, hoạt động tin cậy ngay cả khi toàn bộ hệ thống điều khiển điện gặp sự cố.
Ngoài ra, với dải kích thước lên đến DN450 (phi 457), sản phẩm còn ứng dụng rộng rãi trong các trạm bơm thủy lợi và mạng lưới cấp nước sạch đô thị. Xuất xứ Malaysia cùng chứng chỉ chất lượng đầy đủ giúp sản phẩm dễ dàng được phê duyệt vào các dự án trọng điểm quốc gia.


